Запчасти Komatsu WA250-3 КЛАПАН УПРАВЛЕНИЯ ТРАНСМИССИЕЙ (/) (СОЛЕНОИДНЫЙ КЛАПАН)(№-(777)) СИЛОВАЯ ПЕРЕДАЧА

Схема запчастей Komatsu WA250-3 - КЛАПАН УПРАВЛЕНИЯ ТРАНСМИССИЕЙ (/) (СОЛЕНОИДНЫЙ КЛАПАН)(№-(777)) СИЛОВАЯ ПЕРЕДАЧА
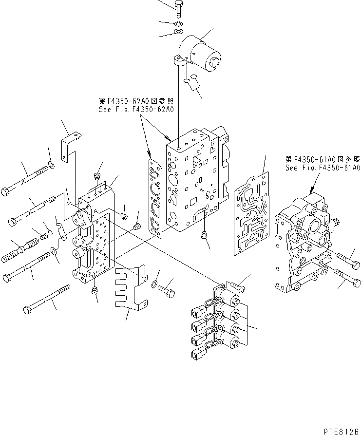
1
2
3
4
5
6
7
8
8
8
9
10
11
12
13
14
15
16
17
18
18
19
20
21
22
23
24
25
26
27
28
FIT
1:1
100%

Артикул

Название

Примечание

Количество

|$$1

SERIAL NO. IN ( ) INDICATES TRANSMISSION SERIAL NO.

-1шт.

|$2

714-13-10000

TORQFLOW ASS'Y

SN: 53001-@

1шт.

|$$3

THIS ASSEMBLY CONSISTS OF ALL PARTS SHOWN IN FIGS.F4350-51A0 TO F4350-69A0.

-1шт.

|$4

714-13-15000

CONTROL VALVE ASS'Y

SN: 53001-(77720)

1шт.

|$$5

THIS ASSEMBLY CONSISTS OF ALL PARTS SHOWN IN FIGS.F4350-61A0 TO F4350-63A0.

-1шт.

|$6

714-11-16101

VALVE ASS'Y,LOWER

SN: 53001-(77720)

1шт.

|$$7

THIS ASSEMBLY CONSISTS OF ALL PARTS SHOWN IN FIGS.F4350-62A0 AND F4350-63A0.

-1шт.

|$8

714-11-16701

SOLENOID VALVE A.

SN: 53001-(77720)

1шт.

|$9

714-11-16720

BODY ASS'Y

SN: 53001-(77720)

1шт.

1

0

BODY,SOLENOID

SN: 53001-(77720)

1шт.

2

04260-00635

BALL

SN: 53001-(77720)

5шт.

3

419-15-16751

VALVE,MANUAL

SN: 53001-(77720)

1шт.

4

415-15-15470

PLUG

SN: 53001-(77720)

1шт.

5

07000-02010

O-RING (K2)

SN: 53001-(77720)

1шт.

6

17A-15-17271

SOLENOID VALVE,SOLENOID

SN: 53001-(77720)

4шт.

7

01220-40412

SCREW

SN: 53001-(77720)

16шт.

8

07043-70108

PLUG

SN: 53001-(77720)

6шт.

9

419-15-15640

PLUG

SN: 53001-(77720)

2шт.

10

714-11-16810

PLATE

SN: 53001-(77720)

1шт.

11

01010-80816

BOLT

SN: 53001-(77720)

2шт.

12

01643-30823

WASHER

SN: 53001-(77720)

2шт.

13

01011-81005

BOLT

SN: 53001-(77720)

2шт.

14

01011-81010

BOLT

SN: 53001-(77720)

1шт.

15

01011-81025

BOLT

SN: 53001-(77720)

6шт.

16

01011-81030

BOLT

SN: 53001-(77720)

1шт.

17

419-15-16670

PLATE,LOCK

SN: 53001-(77720)

1шт.

18

01643-31032

WASHER

SN: 53001-(77720)

2шт.

19

419-06-12840

PLATE

SN: 53001-@

1шт.

20

07043-70108

PLUG

SN: 53001-@

1шт.

21

419-15-16811

GASKET,UPPER (K2)

SN: 53001-@

1шт.

22

01010-80860

BOLT

SN: 53001-@

1шт.

23

01010-80875

BOLT

SN: 53001-@

1шт.

24

419-15-16660

FILTER ASS'Y

SN: 53001-@

1шт.

24

419-15-16930

ELEMENT

SN: 53001-@

1шт.

24

419-15-16940

HEAD

SN: 53001-@

1шт.

24

419-15-16950

O-RING

SN: 53001-@

1шт.

24

419-15-16960

CASE,FILTER

SN: 53001-@

1шт.

25

07000-02014

O-RING (K2)

SN: 53001-@

2шт.

26

01010-81035

BOLT

SN: 53001-@

2шт.

27

01602-01030

WASHER,SPRING

SN: 53001-@

2шт.

28

01642-21016

WASHER

SN: 53001-@

2шт.

Выбрано товаров: 0