Запчасти Komatsu WA250-3-SN РУЛЕВОЕ КОЛЕСО И COLUMU И ORBITROL (КОРПУС) КАБИНА ОПЕРАТОРА И СИСТЕМА УПРАВЛЕНИЯ

Схема запчастей Komatsu WA250-3-SN - РУЛЕВОЕ КОЛЕСО И COLUMU И ORBITROL (КОРПУС) КАБИНА ОПЕРАТОРА И СИСТЕМА УПРАВЛЕНИЯ
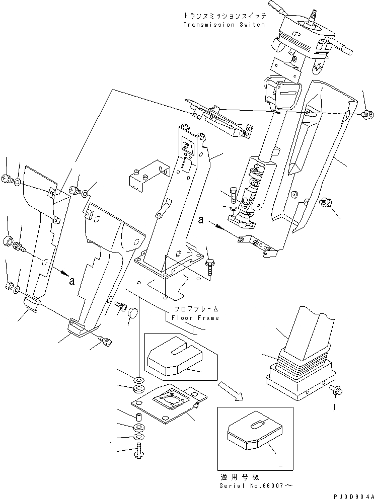
1
2
2
3
4
4
5
6
7
8
9
10
10
11
12
13
13
14
15
16
16
16
16
17
17
18
19
20
21
21
22
23
FIT
1:1
100%

Артикул

Название

Примечание

Количество

1

418-40-22120

BRACKET

SN: 65001-UP

1шт.

2

418-40-22132

SEAL

SN: 66007-UP

1шт.

|2

418-40-22131

SEAL

SN: 65001-66006

1шт.

3

01435-01250

BOLT

SN: 65001-UP

3шт.

4

419-43-17920

WASHER

SN: 65001-UP

6шт.

5

419-43-17930

CUSHION

SN: 65001-UP

3шт.

6

417-62-13620

CUSHION

SN: 65001-UP

3шт.

7

417-62-14130

SPACER

SN: 65001-UP

3шт.

8

02010-70638

BOLT

SN: 65001-UP

4шт.

9

01643-31032

WASHER

SN: 65001-UP

4шт.

10

421-54-22210

SUPPORT

SN: 65001-UP

1шт.

11

01435-01230

BOLT

SN: 65001-UP

4шт.

12

421-54-22310

COVER

SN: 65001-UP

1шт.

13

421-09-21410

SCREW

SN: 65001-UP

4шт.

14

421-54-22321

COVER,L.H.

SN: 65001-UP

1шт.

15

421-54-22331

COVER,R.H.

SN: 65001-UP

1шт.

16

421-09-21410

SCREW

SN: 65001-UP

6шт.

17

01642-40608

WASHER

SN: 65001-UP

2шт.

18

421-09-21430

SCREW

SN: 65001-UP

2шт.

19

01642-40608

WASHER

SN: 65001-UP

2шт.

20

421-09-21340

NUT

SN: 65001-UP

2шт.

21

421-54-22540

PLUG

SN: 65001-UP

4шт.

22

421-54-22340

BOOT

SN: 65001-UP

1шт.

23

421-09-21240

PLUG

SN: 65001-UP

6шт.

Выбрано товаров: 24