Запчасти Komatsu WA250-3-SN КЛАПАН УПРАВЛЕНИЯ ТРАНСМИССИЕЙ (/) (КРЕПЛЕНИЕ) (С ЭКСТРЕНН. РУЛЕВ. УПРАВЛЕНИЕ) ТРАНСМИССИЯ

Схема запчастей Komatsu WA250-3-SN - КЛАПАН УПРАВЛЕНИЯ ТРАНСМИССИЕЙ (/) (КРЕПЛЕНИЕ) (С ЭКСТРЕНН.   РУЛЕВ. УПРАВЛЕНИЕ) ТРАНСМИССИЯ
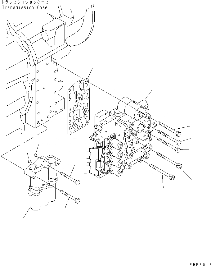
1
2
3
4
5
6
7
8
9
10
11
12
FIT
1:1
100%

Артикул

Название

Примечание

Количество

|$$1

SERIAL NO. IN ( ) INDICATES TRANSMISSION SERIAL NO.

-1шт.

|1

714-13-10041

TORQFLOW ASS'Y

SN: 65040-UP

1шт.

|1

714-13-10040

TORQFLOW ASS'Y

SN: 65001-65039

1шт.

|1

714-13-10012

TORQFLOW ASS'Y

SN: 65040-UP

1шт.

|1

714-13-10011

TORQFLOW ASS'Y

SN: 65001-65039

1шт.

|$$6

THESE ASSEMBLIES CONSISTS OF ALL PARTS SHOWN IN FIGS.F4350-51A1 TO F4350-70A1.

-1шт.

1

714-13-15030

CONTROL VALVE ASS'Y

SN: (77721)-UP

1шт.

|1

0

CONTROL VALVE ASS'Y

SN: 65001-(77720)

1шт.

2

714-11-16920

GASKET,LOWER (K2)

SN: 65001-UP

1шт.

3

01011-31020

BOLT

SN: 65001-UP

4шт.

4

01011-81030

BOLT

SN: 65001-UP

2шт.

5

01011-81035

BOLT

SN: 65001-UP

2шт.

6

419-15-16680

BOLT

SN: 65001-UP

4шт.

7

419-15-15170

BOLT

SN: 65001-UP

1шт.

8

714-13-15600

VALVE ASS'Y,ACCUMULATOR

SN: 65001-UP

1шт.

9

01010-81080

BOLT

SN: 65001-UP

1шт.

10

01010-81070

BOLT

SN: 65001-UP

2шт.

11

07000-73025

O-RING (K2)

SN: 65001-UP

2шт.

12

07000-72014

O-RING (K2)

SN: 65001-UP

2шт.

Выбрано товаров: 19