Запчасти Komatsu WA250-3L FIG. F-8A ТРАНСМИССИЯ - КРЕПЛЕНИЕ - АКСЕССУАРЫ СИЛОВАЯ ПЕРЕДАЧА И КОНЕЧНАЯ ПЕРЕДАЧА

Схема запчастей Komatsu WA250-3L - FIG. F-8A ТРАНСМИССИЯ - КРЕПЛЕНИЕ - АКСЕССУАРЫ СИЛОВАЯ ПЕРЕДАЧА И КОНЕЧНАЯ ПЕРЕДАЧА
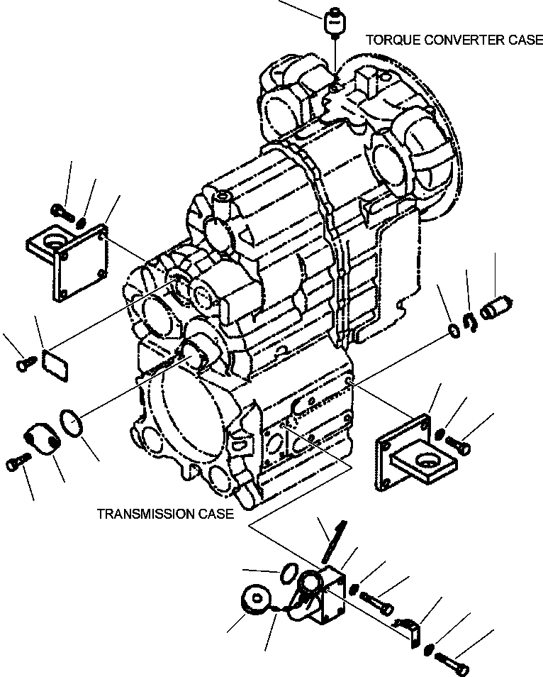
1
18
19
17
7
8
9
2
3
17
19
18
5
4
6
11
10
16
14
15
20
16
21
13
12
FIT
1:1
100%

Артикул

Название

Примечание

Количество

|$0

TRANSMISSION ASSEMBLY(SEE FIG. F4350-51A0)

SN: A70001-UP-UP

-1шт.

1

07030-00252

BREATHER

SN: A70001-UP-UP

1шт.

2

09608-05080

PLATE, NAME

SN: A70001-UP-UP

1шт.

3

04418-03060

SCREW

SN: A70001-UP-UP

4шт.

4

714-13-11350

COVER

SN: A70001-UP-UP

1шт.

5

07000-02065

O-RING

SN: A70001-UP-UP

1шт.

6

01010-E1225

BOLT

SN: A70001-UP-UP

2шт.

7

419-15-18241

PLUG

SN: A70001-UP-UP

1шт.

8

419-15-18251

RING, SNAP

SN: A70001-UP-UP

1шт.

9

07002-12434

O-RING

SN: A70001-UP-UP

1шт.

10

714-13-18810

TUBE, FILLER

SN: A70001-UP-UP

1шт.

11

714-13-18530

GAUGE, LEVEL

SN: A70001-UP-UP

1шт.

12

6136-21-7190

CHAIN

SN: A70001-UP-UP

1шт.

13

417-979-2110

CAP ASSEMBLY

SN: A70001-UP-UP

1шт.

|$14

6136-21-7180

GASKET

SN: A70001-UP-UP

1шт.

N/I

650 352 C92

PADLOCK - WITH KEYS

SN: A70001-UP-UP

1шт.

14

07000-02065

O-RING

SN: A70001-UP-UP

1шт.

15

01010-E1075

BOLT

SN: A70001-UP-UP

3шт.

16

01643-31032

WASHER

SN: A70001-UP-UP

4шт.

17

418-14-21110

BRACKET

SN: A70001-UP-UP

2шт.

18

01010-61650

BOLT

SN: A70001-UP-UP

8шт.

19

01643-31645

WASHER

SN: A70001-UP-UP

8шт.

20

714-13-18450

PLATE

SN: A70001-UP-UP

1шт.

21

01010-E1080

BOLT

SN: A70001-UP-UP

1шт.

Выбрано товаров: 24