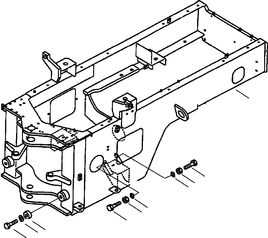
Запчасти Komatsu WA250-3L FIG. J-A ЗАДН. РАМА ОСНОВНАЯ РАМА И ЕЕ ЧАСТИ

Схема запчастей Komatsu WA250-3L - FIG. J-A ЗАДН. РАМА ОСНОВНАЯ РАМА И ЕЕ ЧАСТИ
1
2
3
4
4
3
2
5
7
6
FIT
1:1
100%

Артикул

Название

Примечание

Количество

1

418-46-A1300

FRAME, REAR

SN: A70001-UP-UP

1шт.

2

01016-51670

BOLT

SN: A70001-UP-UP

4шт.

3

01580-11613

NUT

SN: A70001-UP-UP

4шт.

4

01643-31645

WASHER

SN: A70001-UP-UP

4шт.

5

416-46-11210

BUMPER

SN: A70001-UP-UP

2шт.

6

01010-81225

BOLT

SN: A70001-UP-UP

2шт.

7

01643-31232

WASHER

SN: A70001-UP-UP

2шт.

Выбрано товаров: 7