Запчасти Komatsu WA250-3L FIG. K-A КАБИНА - КРЫША TОБОД КОЛЕСА И ЗАДН. ЧАСТИ ИНТЕРЬЕРА КАБИНА ОПЕРАТОРА И СИСТЕМА УПРАВЛЕНИЯ

Схема запчастей Komatsu WA250-3L - FIG. K-A КАБИНА - КРЫША TОБОД КОЛЕСА И ЗАДН. ЧАСТИ ИНТЕРЬЕРА КАБИНА ОПЕРАТОРА И СИСТЕМА УПРАВЛЕНИЯ
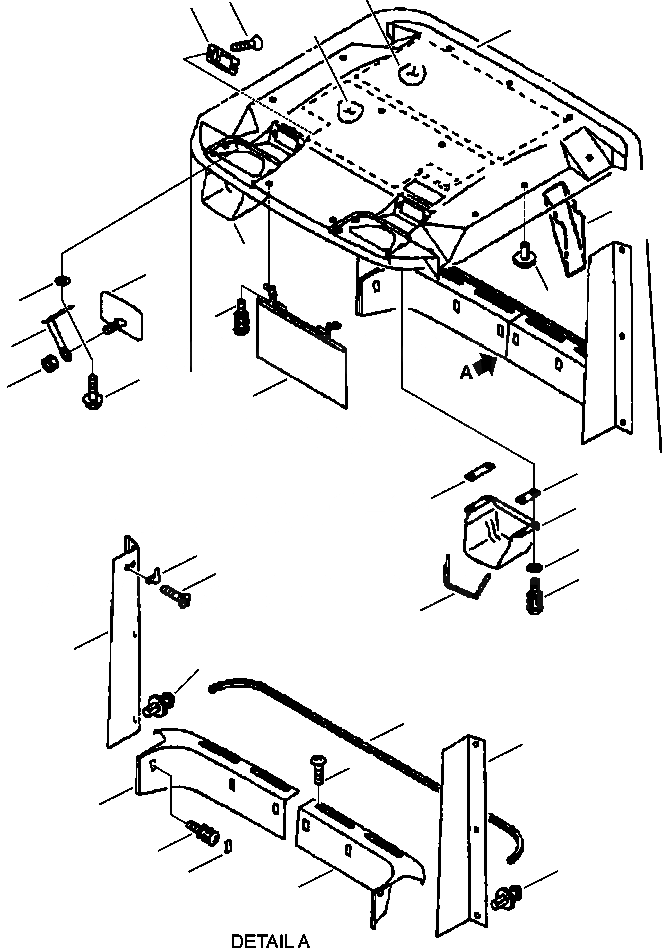
3
8
7
2
1
31
10
19
6
18
15
16
17
19
14
5
4
9
13
29
30
12
11
27
28
22
26
23
21
24
28
25
20
FIT
1:1
100%

Артикул

Название

Примечание

Количество

|$0

CAB ASSEMBLY, ROPS(SEE FIG. K0210-01A0)

SN: A70001-UP-UP

-1шт.

1

421-926-2580

PAD, ROOF

SN: A70001-UP-UP

1шт.

2

421-926-2650

SHEET

SN: A70001-UP-UP

1шт.

3

421-926-2660

SHEET

SN: A70001-UP-UP

1шт.

4

421-56-21970

SHEET

SN: A70001-UP-UP

2шт.

5

421-56-21980

SHEET

SN: A70001-UP-UP

2шт.

6

423-56-21910

BUTTON

SN: A70001-UP-UP

16шт.

7

421-56-21420

PANEL, SWITCH

SN: A70001-UP-UP

2шт.

8

01224-70516

SCREW

SN: A70001-UP-UP

4шт.

9

421-56-21330

COVER, L.H.

SN: A70001-UP-UP

1шт.

10

421-56-21340

COVER, R.H.

SN: A70001-UP-UP

1шт.

11

421-56-21350

SEAL

SN: A70001-UP-UP

2шт.

12

01023-70512

SCREW

SN: A70001-UP-UP

8шт.

13

01642-40608

WASHER

SN: A70001-UP-UP

8шт.

14

421-56-21371

VISOR, SUN

SN: A70001-UP-UP

1шт.

15

01023-70516

SCREW

SN: A70001-UP-UP

4шт.

16

421-56-21380

STAY

SN: A70001-UP-UP

1шт.

17

363-06-35140

BOLT

SN: A70001-UP-UP

2шт.

18

01643-30623

WASHER

SN: A70001-UP-UP

2шт.

19

423-926-A180

MIRROR, ROOM

SN: A70001-UP-UP

1шт.

20

419-926-A740

COVER, L.H.

SN: A70001-UP-UP

1шт.

21

419-926-A730

COVER, R.H.

SN: A70001-UP-UP

1шт.

22

421-926-2590

SHEET

SN: A70001-UP-UP

1шт.

23

421-09-21440

SCREW

SN: A70001-UP-UP

2шт.

24

421-09-21410

SCREW

SN: A70001-UP-UP

6шт.

25

421-56-21690

COVER

SN: A70001-UP-UP

6шт.

26

419-926-2530

COVER, REAR - L.H.

SN: A70001-UP-UP

1шт.

27

419-926-2540

COVER, REAR - R.H.

SN: A70001-UP-UP

1шт.

28

421-56-21450

BUTTON

SN: A70001-UP-UP

6шт.

29

205-54-51250

HANGER

SN: A70001-UP-UP

1шт.

30

01224-70412

SCREW

SN: A70001-UP-UP

2шт.

31

421-926-2630

PAD, L.H.

SN: A70001-UP-UP

1шт.

|$32

421-926-2640

PAD, R.H.

SN: A70001-UP-UP

1шт.

|$33

-1шт.

|$34

F1 - SEE PARTS AND SERVICE NEWS AA99162 WHEN THE WORK LIGHT NEEDS TO BERELOCATED FROM THE INSIDE OF THE CAB TO THE OUTSIDE OF THE CAB.

-1шт.

|$35

-1шт.

Выбрано товаров: 36