Запчасти Komatsu WA250-3L FIG. K-A OPERATORS S КАБИНА - ЛЕВ. ДВЕРЬ - CURRENT ВЕРСИЯ КАБИНА ОПЕРАТОРА И СИСТЕМА УПРАВЛЕНИЯ

Схема запчастей Komatsu WA250-3L - FIG. K-A OPERATORS S КАБИНА - ЛЕВ. ДВЕРЬ - CURRENT ВЕРСИЯ КАБИНА ОПЕРАТОРА И СИСТЕМА УПРАВЛЕНИЯ
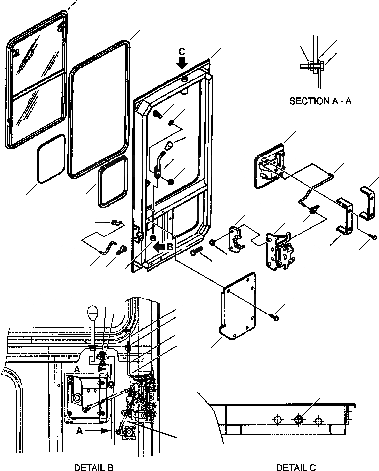
4
2
25
26
1
16
16
15
6
14
13
20
17
7
5
3
9
10
18
21
7
8
11
12
19
21
24
23
33
31
32
30
27
29
22
34
28
27
FIT
1:1
100%

Артикул

Название

Примечание

Количество

|$0

423-926-A130

DOOR, L.H.

SN: A70273-UP-UP

1шт.

1

423-926-A450

FRAME, L.H. DOOR

SN: A70273-UP-UP

1шт.

2

423-926-A630

SEAL, SLIDING WINDOW

SN: A70273-UP-UP

1шт.

3

423-926-A640

SEAL, LOWER WINDOW

SN: A70273-UP-UP

1шт.

4

423-926-A520

WINDOW, SLIDING

SN: A70273-UP-UP

1шт.

5

419-54-16631

GLASS, LOWER WINDOW

SN: A70273-UP-UP

1шт.

6

423-926-A620

PADDLE HANDLE ASSEMBLY - L.H.

SN: A70273-UP-UP

1шт.

7

417-926-AS30

BRACKET, PADDLE HANDLE MOUNT

SN: A70273-UP-UP

2шт.

8

423-926-A530

SCREW, TRUSS HEAD

SN: A70273-UP-UP

4шт.

9

416-926-A550

LATCH ASSEMBLY, L.H. ROTOR

SN: A70273-UP-UP

1шт.

10

423-926-AB60

LINKAGE ASSEMBLY, L.H.

SN: A70273-UP-UP

1шт.

11

120 392

WASHER, FLAT

SN: A70273-UP-UP

4шт.

12

180 024

BOLT

SN: A70273-UP-UP

4шт.

13

419-926-A860

HANDLE, DOOR

SN: A70273-UP-UP

1шт.

14

417-927-AJ40

KNOB, DOOR HANDLE

SN: A70273-UP-UP

1шт.

15

1234 781 H1

WASHER, NYLON

SN: A70273-UP-UP

1шт.

16

423-926-AA20

BOLT

SN: A70273-UP-UP

1шт.

17

01598-00608

NUT, NYLON INSERT

SN: A70273-UP-UP

1шт.

18

427-56-11790

LOCK ASSEMBLY

SN: A70273-UP-UP

1шт.

19

423-926-A390

ROD

SN: A70273-UP-UP

1шт.

20

423-926-A400

ROD

SN: A70273-UP-UP

1шт.

21

423-926-A570

CLIP, ROD

SN: A70273-UP-UP

7шт.

22

423-926-A410

COVER, L.H.

SN: A70273-UP-UP

1шт.

23

328 388 C1

SCREW, SELF-TAPPING

SN: A70273-UP-UP

6шт.

24

423-926-A980

BUSHING

SN: A70273-UP-UP

1шт.

25

1234 781 H1

WASHER, NYLON FLAT

SN: A70273-UP-UP

1шт.

26

01598-00608

NUT, NYLON LOCK

SN: A70273-UP-UP

1шт.

27

419-926-A950

ROD

SN: A70273-UP-UP

1шт.

28

419-926-A960

ROD, CLIP

SN: A70273-UP-UP

1шт.

29

419-926-A880

ROD, LOCK

SN: A70273-UP-UP

1шт.

30

423-926-A990

BUSHING

SN: A70273-UP-UP

1шт.

31

423-926-A870

KNOB, LOCK ROD

SN: A70273-UP-UP

1шт.

32

423-926-AA50

NUT

SN: A70273-UP-UP

1шт.

33

01010-80830

BOLT

SN: A70273-UP-UP

1шт.

34

417-927-AM60

PLUG, NYLON

SN: A70273-UP-UP

1шт.

Выбрано товаров: 35