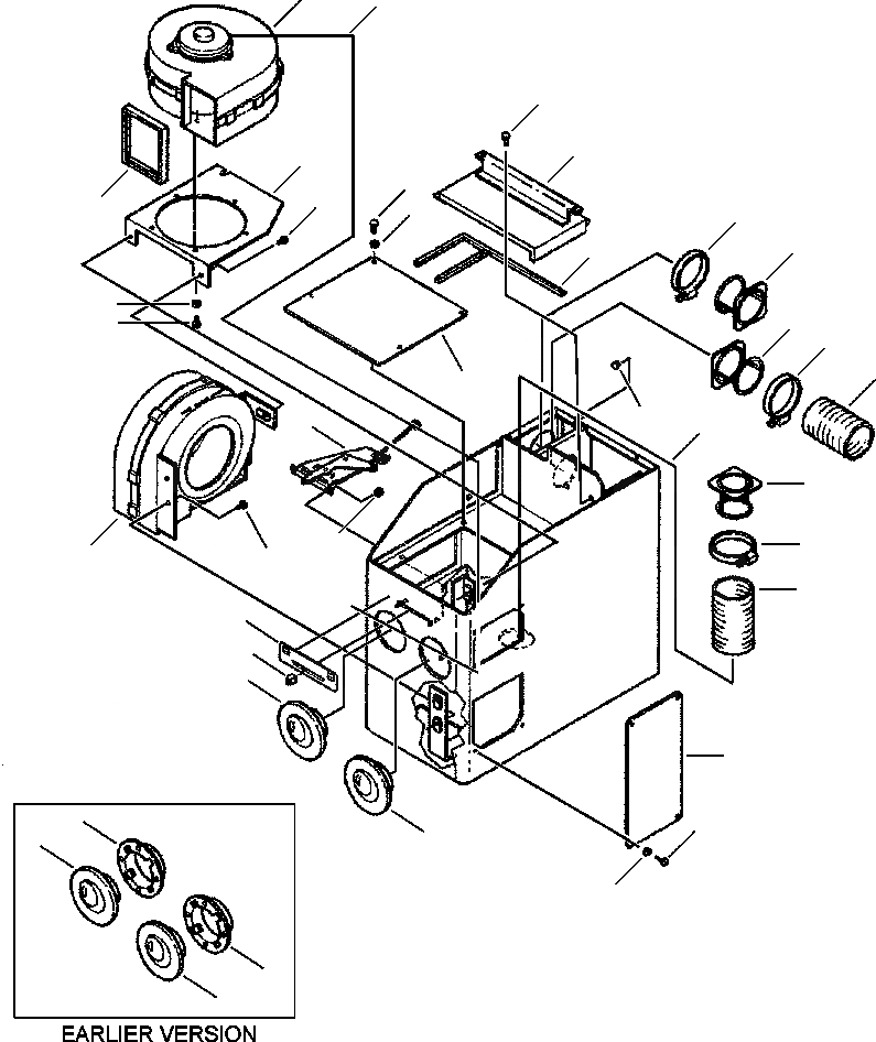
Запчасти Komatsu WA250-3L FIG. K7-A КОНДИЦ. ВОЗДУХА И ОБОГРЕВАТЕЛЬ. - ВЕНТИЛЯТОР КОРПУС КАБИНА ОПЕРАТОРА И СИСТЕМА УПРАВЛЕНИЯ

Схема запчастей Komatsu WA250-3L - FIG. K7-A КОНДИЦ. ВОЗДУХА И ОБОГРЕВАТЕЛЬ. - ВЕНТИЛЯТОР КОРПУС КАБИНА ОПЕРАТОРА И СИСТЕМА УПРАВЛЕНИЯ
16
12
23
5
13
21
24
22
20
17
7
6
15
7
14
20
4
3
19
26
1
7
20
25
18
24
4
10
11
8
2
9
21
8
8
22
9
8
FIT
1:1
100%

Артикул

Название

Примечание

Количество

|$0

AIR CONDITIONER KIT(SEE FIG. K0710-01A0)

SN: A70001-UP-UP

-1шт.

|$2

OR

-1шт.

|$4

HEATER ASSEMBLY (SEE FIG. K0710-01A1)

SN: A70001-UP-UP

-1шт.

|$5

417-963-A620

BOX ASSEMBLY, FAN

SN: A70001-A70310-UP

1шт.

|$7

OR

-1шт.

|$9

417-963-A621

BOX ASSEMBLY, FAN

SN: A70311-UP-UP

1шт.

1

417-963-A580

BOX, FAN

SN: A70001-A70310-UP

1шт.

|$12

OR

-1шт.

1

417-963-A581

BOX, FAN

SN: A70311-UP-UP

1шт.

2

419-963-A570

COVER, OUTSIDE

SN: A70001-UP-UP

1шт.

3

419-963-A680

PLATE, GLOVE BOX

SN: A70001-UP-UP

1шт.

|$17

419-963-A690

FOAM

SN: A70001-UP-UP

1шт.

4

418-T42-A380

HOSE, FLEX

SN: A70001-UP-UP

2шт.

5

419-963-A710

COVER, BACK

SN: A70001-UP-UP

1шт.

6

1434 987 H1

FOAM, SWITCH SEAL

SN: A70001-UP-UP

1шт.

7

416-942-A340

ADAPTER, FLEX HOSE

SN: A70001-UP-UP

3шт.

8

416-942-A280

LOUVER, FLUSH

SN: A70001-A70310-UP

2шт.

|$24

OR

-1шт.

8

1312 191 H1

LOUVER ASSEMBLY

SN: A70311-UP-UP

4шт.

9

416-942-A290

MOUNT, PANEL

SN: A70001-A70310-UP

2шт.

10

419-963-A740

DECAL, AIR CONTROL

SN: A70001-UP-UP

1шт.

11

419-963-A750

KNOB, SLIDER CONTROL

SN: A70001-UP-UP

1шт.

12

419-963-A760

HARNESS, BLOWER FAN

SN: A70001-UP-UP

1шт.

|$31

419-963-A820

FAN KIT, BLOWER - REAR

SN: A70001-UP-UP

1шт.

13

NSS

BRACKET, REAR FAN

SN: A70001-UP-UP

1шт.

14

NSS

SCREW

SN: A70001-UP-UP

5шт.

15

NSS

WASHER, LOCK

SN: A70001-UP-UP

5шт.

16

419-963-A120

MOTOR, FAN UNIT

SN: A70001-UP-UP

1шт.

17

425-963-AE90

FOAM - 16 IN.

SN: A70001-UP-UP

1шт.

18

419-963-A840

FAN KIT, BLOWER - FRONT

SN: A70001-UP-UP

1шт.

19

SLIDE, AIR SELECTOR (SEE FIG. K0710-03A1)

SN: A70001-UP-UP

-1шт.

|$39

419-963-A720

KIT, HARDWARE

SN: A70001-UP-UP

1шт.

20

NSS

CLAMP, HOSE

SN: A70001-UP-UP

3шт.

21

NSS

BOLT

SN: A70001-UP-UP

8шт.

22

NSS

WASHER, LOCK

SN: A70001-UP-UP

8шт.

23

NSS

SCREW, TRUSS

SN: A70001-UP-UP

4шт.

24

NSS

SCREW

SN: A70001-UP-UP

6шт.

25

NSS

NUT, LOCK

SN: A70001-UP-UP

2шт.

26

NSS

PLUG

SN: A70001-UP-UP

3шт.

|$47

-1шт.

|$48

F1 - SEE PARTS AND SERVICE NEWS AA98123 FOR HEAVY DUTY ROUND LOUVER.

-1шт.

|$49

-1шт.

Выбрано товаров: 42