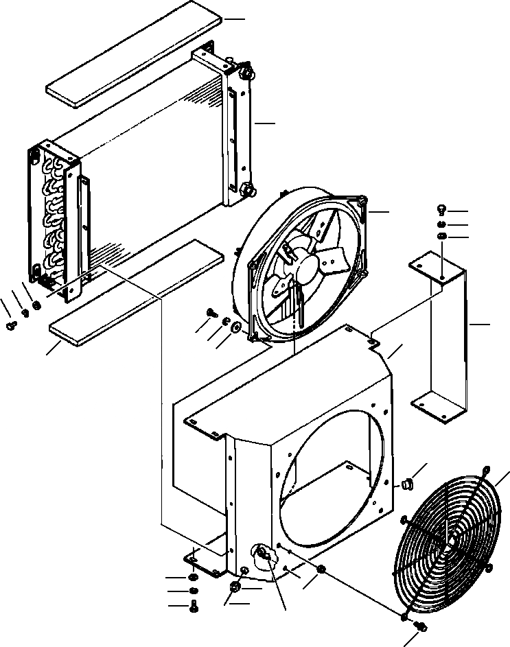
Запчасти Komatsu WA250-3L FIG. K7-A КОНДИЦ. ВОЗДУХА - КОНДЕНСАТОР ASSEMBLY КАБИНА ОПЕРАТОРА И СИСТЕМА УПРАВЛЕНИЯ

Схема запчастей Komatsu WA250-3L - FIG. K7-A КОНДИЦ. ВОЗДУХА - КОНДЕНСАТОР ASSEMBLY КАБИНА ОПЕРАТОРА И СИСТЕМА УПРАВЛЕНИЯ
16
15
10
3
11
12
12
11
10
18
4
7
8
9
16
14
1
12
5
11
6
17
10
2
13
FIT
1:1
100%

Артикул

Название

Примечание

Количество

|$0

419-963-A240

CONDENSER ASSEMBLY, AIR CONDITIONER

SN: A70001-UP-UP

1шт.

1

425-963-AC50

GUARD, FINGER

SN: A70001-UP-UP

1шт.

2

425-963-A820

ANCHOR, HOLD TIE

SN: A70001-UP-UP

1шт.

3

425-963-AD80

FAN AND MOTOR ASSEMBLY

SN: A70001-UP-UP

1шт.

4

425-963-A650

HOUSING, MAIN

SN: A70001-UP-UP

1шт.

|$5

419-963-AB10

KIT, ASSEMBLY HARDWARE

SN: A70001-UP-UP

1шт.

5

NSS

GROMMET

SN: A70001-UP-UP

1шт.

6

NSS

NUT, ACORN

SN: A70001-UP-UP

4шт.

7

NSS

BOLT - M8

SN: A70001-UP-UP

4шт.

8

NSS

WASHER, LOCK - M8

SN: A70001-UP-UP

4шт.

9

NSS

WASHER, FLAT - M8

SN: A70001-UP-UP

4шт.

10

NSS

BOLT - M6

SN: A70001-UP-UP

14шт.

11

NSS

WASHER - 1/4 IN.

SN: A70001-UP-UP

14шт.

12

NSS

WASHER - 3/16 IN.

SN: A70001-UP-UP

14шт.

13

NSS

BOLT - 1/4 X 1/2 IN.

SN: A70001-UP-UP

4шт.

14

NSS

PLUG - 9/16 IN.

SN: A70001-UP-UP

1шт.

15

425-963-AC30

COIL, CONDENSER

SN: A70001-UP-UP

1шт.

16

425-963-A580

FOAM, COIL SEAL

SN: A70001-UP-UP

2шт.

17

419-963-AB30

HARNESS, CONDENSER

SN: A70001-UP-UP

1шт.

18

419-963-AB20

PLATE, END

SN: A70001-UP-UP

1шт.

Выбрано товаров: 20