Запчасти Komatsu WA250-3L FIG. K7-A КАБИНА - ЗАДН. КОНСОЛЬН. БЛОК КАБИНА ОПЕРАТОРА И СИСТЕМА УПРАВЛЕНИЯ

Схема запчастей Komatsu WA250-3L - FIG. K7-A КАБИНА - ЗАДН. КОНСОЛЬН. БЛОК КАБИНА ОПЕРАТОРА И СИСТЕМА УПРАВЛЕНИЯ
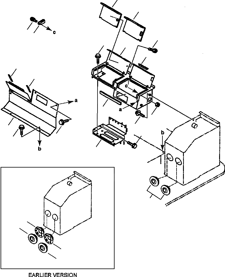
14
3
5
4
7
10
1
8
15
15
2
6
9
12
11
13
13
16
17
18
17
18
17
FIT
1:1
100%

Артикул

Название

Примечание

Количество

1

421-54-22730

CONSOLE BOX, REAR

SN: A70001-UP-UP

1шт.

2

421-54-22480

SEAL

SN: A70001-UP-UP

1шт.

3

421-07-28261

INSULATOR

SN: A70001-UP-UP

1шт.

4

421-09-21370

CATCH

SN: A70001-UP-UP

1шт.

5

01023-70310

SCREW

SN: A70001-UP-UP

2шт.

6

01580-60302

NUT

SN: A70001-UP-UP

2шт.

7

421-09-21260

SCREW

SN: A70001-UP-UP

1шт.

8

421-54-22750

HANDLE

SN: A70001-UP-UP

1шт.

9

01435-00825

BOLT

SN: A70001-UP-UP

2шт.

10

01435-00812

BOLT

SN: A70001-UP-UP

2шт.

11

01435-00812

BOLT

SN: A70001-UP-UP

2шт.

12

421-54-22740

COVER - WITHOUT HEATER OR A/C

SN: A70001-UP-UP

1шт.

|$12

OR

-1шт.

12

419-963-A880

COVER - WITH HEATER OR A/C

SN: A70001-UP-UP

1шт.

|$16

419-963-A160

COVER, FLOOR

SN: A70001-UP-UP

1шт.

|$17

1434 536 H1

LOUVER ASSEMBLY

SN: A70001-UP-UP

1шт.

13

01435-00616

BOLT

SN: A70001-UP-UP

5шт.

14

418-54-22180

INSULATOR

SN: A70001-UP-UP

1шт.

15

418-54-22190

CUSHION

SN: A70001-UP-UP

2шт.

16

421-54-22650

BRACKET

SN: A70001-UP-UP

1шт.

17

416-942-A280

LOUVER, FLUSH

SN: A70001-A70310-UP

2шт.

|$24

OR

-1шт.

17

1312 191 H1

LOUVER, ASSEMBLY

SN: A70311-UP-UP

4шт.

18

416-942-A290

MOUNT, PANEL

SN: A70001-A70310-UP

2шт.

|$28

-1шт.

|$29

F1 - SEE PARTS AND SERVICE NEWS AA98123 AND AA99167 FOR HEAVY DUTYROUND LOUVER.

-1шт.

|$30

-1шт.

Выбрано товаров: 27