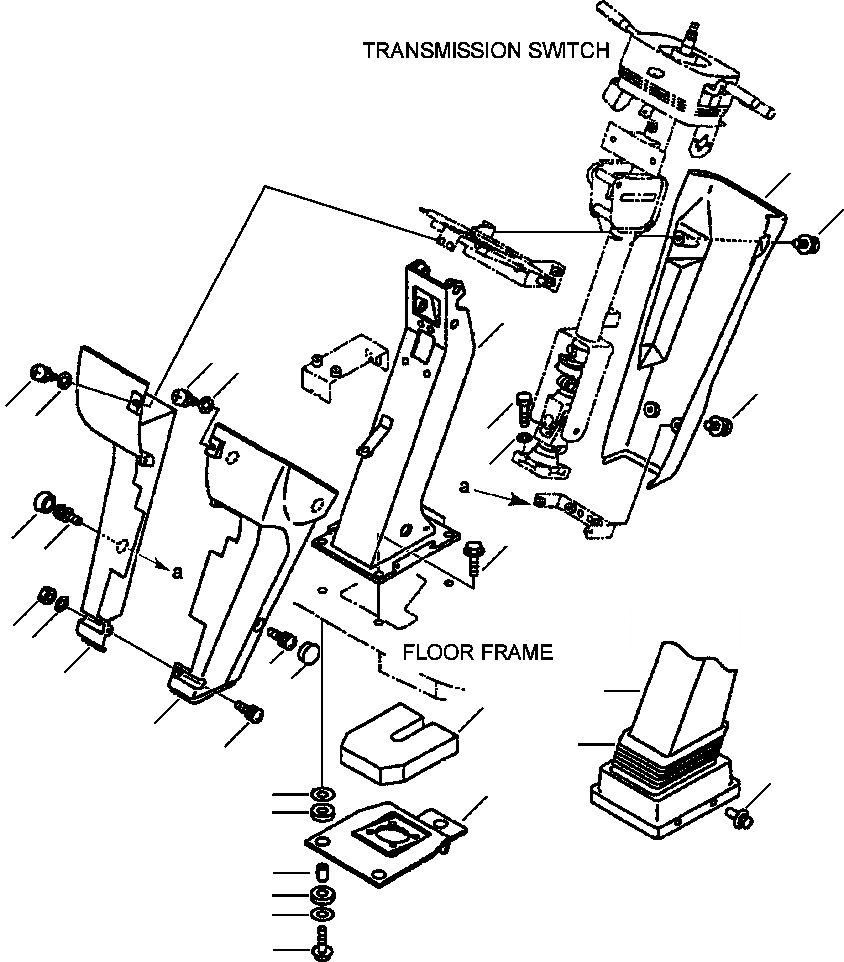
Запчасти Komatsu WA250-3L FIG. K-A РУЛЕВ. УПРАВЛЕНИЕ КОНСОЛЬ - КРЫШКАAND МОНТАЖНЫЙ КАРКАС КАБИНА ОПЕРАТОРА И СИСТЕМА УПРАВЛЕНИЯ

Схема запчастей Komatsu WA250-3L - FIG. K-A РУЛЕВ. УПРАВЛЕНИЕ КОНСОЛЬ - КРЫШКАAND МОНТАЖНЫЙ КАРКАС КАБИНА ОПЕРАТОРА И СИСТЕМА УПРАВЛЕНИЯ
12
13
10
16
17
13
16
17
8
9
11
21
16
20
19
16
15
21
10
2
14
22
18
23
1
4
6
7
5
4
3
FIT
1:1
100%

Артикул

Название

Примечание

Количество

1

418-40-22120

BRACKET

SN: A70001-UP-UP

1шт.

2

418-40-22131

SEAL

SN: A70001-UP-UP

1шт.

3

01435-01255

BOLT

SN: A70001-UP-UP

3шт.

4

419-43-17920

WASHER

SN: A70001-UP-UP

6шт.

5

419-43-17930

CUSHION

SN: A70001-UP-UP

3шт.

6

417-62-13620

CUSHION

SN: A70001-UP-UP

3шт.

7

417-54-13470

SPACER

SN: A70001-UP-UP

3шт.

8

02010-70638

BOLT

SN: A70001-UP-UP

4шт.

9

01643-31032

WASHER

SN: A70001-UP-UP

4шт.

10

421-54-22210

SUPPORT

SN: A70001-UP-UP

1шт.

11

01435-01230

BOLT

SN: A70001-UP-UP

4шт.

12

421-54-22310

COVER

SN: A70001-UP-UP

1шт.

13

421-09-21410

SCREW

SN: A70001-UP-UP

4шт.

14

421-54-22321

COVER, L.H.

SN: A70001-UP-UP

1шт.

15

421-54-22331

COVER, R.H.

SN: A70001-UP-UP

1шт.

16

421-09-21410

SCREW

SN: A70001-UP-UP

6шт.

17

01642-40608

WASHER

SN: A70001-UP-UP

2шт.

18

421-09-21430

SCREW

SN: A70001-UP-UP

2шт.

19

01642-40608

WASHER

SN: A70001-UP-UP

3шт.

20

421-09-21340

NUT

SN: A70001-UP-UP

2шт.

21

421-54-22540

PLUG

SN: A70001-UP-UP

4шт.

22

421-54-22340

BOOT

SN: A70001-UP-UP

1шт.

23

421-09-21240

PLUG

SN: A70001-UP-UP

6шт.

Выбрано товаров: 23