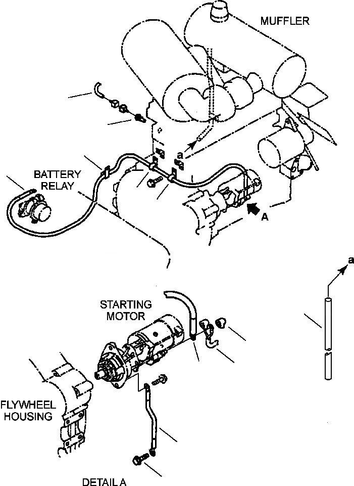
Запчасти Komatsu WA250-3L FIG. B-A Э/ПРОВОДКА ДВИГАТЕЛЯ - Э/ПРОВОДКА ПЕРЕКЛЮЧАТЕЛЯ И STARTER КОМПОНЕНТЫ ДВИГАТЕЛЯ

Схема запчастей Komatsu WA250-3L - FIG. B-A Э/ПРОВОДКА ДВИГАТЕЛЯ - Э/ПРОВОДКА ПЕРЕКЛЮЧАТЕЛЯ И STARTER КОМПОНЕНТЫ ДВИГАТЕЛЯ
5
4
3
1
3
3
8
2
1
9
6
7
FIT
1:1
100%

Артикул

Название

Примечание

Количество

1

418-06-21110

WIRE

SN: A70001-UP-UP

1шт.

2

08038-06031

CAP

SN: A70001-UP-UP

2шт.

3

08036-01214

CLIP

SN: A70001-UP-UP

3шт.

4

7861-92-3380

SENSOR, TEMPERATURE

SN: A70001-UP-UP

1шт.

5

WIRING HARNESS (SEE FIG. B0000-01A0)

SN: A70001-UP-UP

-1шт.

6

417-06-22320

WIRE, GROUND

SN: A70001-UP-UP

1шт.

7

01435-01016

BOLT

SN: A70001-UP-UP

1шт.

8

07260-20965

HOSE, MUFFLER DRAIN

SN: A70001-UP-UP

1шт.

9

WIRING HARNESS (SEE FIG. B0000-01A0)

SN: A70001-UP-UP

-1шт.

Выбрано товаров: 0