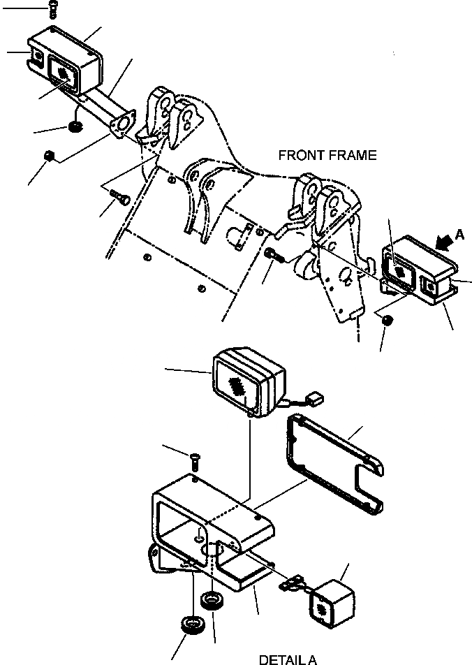
Запчасти Komatsu WA250-3L FIG. E-A ПЕРЕДН. ОСВЕЩЕНИЕ ЭЛЕКТРИКА

Схема запчастей Komatsu WA250-3L - FIG. E-A ПЕРЕДН. ОСВЕЩЕНИЕ ЭЛЕКТРИКА
11
10
15
2
1
12
8
1
9
2
4
14
3
1
5
6
2
14
13
7
FIT
1:1
100%

Артикул

Название

Примечание

Количество

1

417-06-23211

HEAD LAMP ASSEMBLY

SN: A70001-UP-UP

2шт.

|$1

417-06-23220

BULB - 62/62 W

SN: A70001-UP-UP

1шт.

|$2

417-06-23260

LENS

SN: A70001-UP-UP

1шт.

2

41G-06-13201

LAMP ASSEMBLY

SN: A70001-UP-UP

2шт.

|$4

41G-06-13210

LENS, FRONT

SN: A70001-UP-UP

1шт.

|$5

41G-06-13220

LENS, REAR

SN: A70001-UP-UP

1шт.

|$6

41G-06-13230

BULB - 5 W

SN: A70001-UP-UP

1шт.

|$7

08105-12420

BULB - 25 W

SN: A70001-UP-UP

1шт.

|$8

01220-40425

SCREW

SN: A70001-UP-UP

4шт.

3

01584-01210

NUT

SN: A70001-UP-UP

2шт.

4

01435-01230

BOLT

SN: A70001-UP-UP

3шт.

5

417-06-23190

PLATE

SN: A70001-UP-UP

1шт.

6

01023-10612

SCREW

SN: A70001-UP-UP

4шт.

7

09415-03614

CAP

SN: A70001-UP-UP

1шт.

8

01584-01210

NUT

SN: A70001-UP-UP

2шт.

9

01435-01230

BOLT

SN: A70001-UP-UP

3шт.

10

417-06-23190

PLATE

SN: A70001-UP-UP

1шт.

11

01023-10612

SCREW

SN: A70001-UP-UP

4шт.

12

09415-03614

CAP

SN: A70001-UP-UP

1шт.

13

08037-02512

GROMMET

SN: A70001-UP-UP

2шт.

14

418-06-A1510

SUPPORT, L.H.

SN: A70001-UP-UP

1шт.

15

418-06-A1520

SUPPORT, R.H.

SN: A70001-UP-UP

1шт.

Выбрано товаров: 22