Запчасти Komatsu WA250-3MC K-A OPERATORS СИДЕНЬЕ ВОЗД. RIDE OPERATORXD S ОБСТАНОВКА И СИСТЕМА УПРАВЛЕНИЯ

Схема запчастей Komatsu WA250-3MC - K-A OPERATORS СИДЕНЬЕ ВОЗД. RIDE OPERATORXD S ОБСТАНОВКА И СИСТЕМА УПРАВЛЕНИЯ
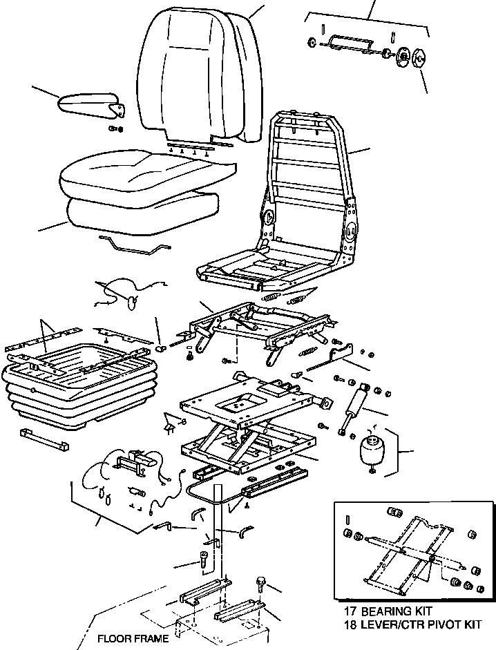
3
4
19
7
1
5
9
8
6
7
15
2
7
13
10
14
11
12
12
16
23
17
18
22
21
20
FIT
1:1
100%

Артикул

Название

Примечание

Количество

|$0

423-960-A040

SEAT ASSEMBLY , 555 - COMPRESSED AIR RIDE

SN: A71001 --UP

1шт.

|$1

421-960-A210

KIT, UPPER ASSEMBLY, CHARCOAL FABRIC

SN: A71001 --UP

1шт.

1

195-57-A0200

KIT, FRAME ASSEMBLY

SN: A71001 --UP

1шт.

2

195-57-A0900

KIT, HEIGHT RISER LATCH

SN: A71001 --UP

1шт.

3

195-57-A0220

KIT, LUMBAR SUPPORT

SN: A71001 --UP

1шт.

4

195-57-A0300

KIT, BACK FOAM

SN: A71001 --UP

1шт.

|$6

421-960-A220

KIT, BACK COVER - CHARCOAL FABRIC

SN: A71001 --UP

1шт.

5

195-57-A0500

KIT, SEAT FOAM

SN: A71001 --UP

1шт.

|$8

195-57-A0400

KIT, SEAT COVER - CHARCOAL FABRIC

SN: A71001 --UP

1шт.

6

195-57-A0800

KIT, HEIGHT RISER ASSEMBLY

SN: A71001 --UP

1шт.

7

421-960-A360

KIT, HANDLE

SN: A71001 --UP

1шт.

8

195-57-A0010

KIT, HEIGHT RISER SPRING

SN: A71001 --UP

1шт.

9

206-57-A1470

KIT, RECLINER CABLE

SN: A71001 --UP

1шт.

10

421-960-A310

KIT, DAMPER

SN: A71001 --UP

1шт.

11

421-960-A450

KIT, SUSPENSION - 24V COMPRESSOR

SN: A71001 --UP

1шт.

12

421-960-A350

KIT, SLIDERAIL

SN: A71001 --UP

1шт.

13

195-57-A0310

KIT, UPSTOP/BUMP STOP

SN: A71001 --UP

1шт.

14

421-960-A460

KIT, AIR SPRING

SN: A71001 --UP

1шт.

15

421-960-A470

KIT, SUSPENSION COVER

SN: A71001 --UP

1шт.

16

421-960-A480

KIT, 24V COMPRESSOR/VALVE

SN: A71001 --UP

1шт.

17

421-960-A490

KIT, BEARING

SN: A71001 --UP

1шт.

18

421-960-A510

KIT, LEVER/CENTER PIVOT

SN: A71001 --UP

1шт.

19

421-960-A430

KIT, L.H. ARMREST

SN: A71001 --UP

1шт.

|$29

OR

23

-1шт.

19

421-960-A440

KIT, R.H. ARMREST

SN: A71001 --UP

1шт.

20

421-960-A111

L.H. BRACKET

SN: A71001 --UP

1шт.

21

421-960-A121

R.H. BRACKET

SN: A71001 --UP

1шт.

22

01435-01225

BOLT

SN: A71001 --UP

4шт.

23

01252-70820

SCREW

SN: A71001 --UP

4шт.

|$30

F1 - REPLACEMENT OF CENTER PIVOT BEARINGS REQUIRES REPLACEMENT OF ITEM 18.

29

-1шт.

|$31

F2 - THIS KIT IS REQUIRED TO SERVICE THE CENTER PIVOT BEARING WITH WELDED PIVOT PINS.

30

-1шт.

Выбрано товаров: 31