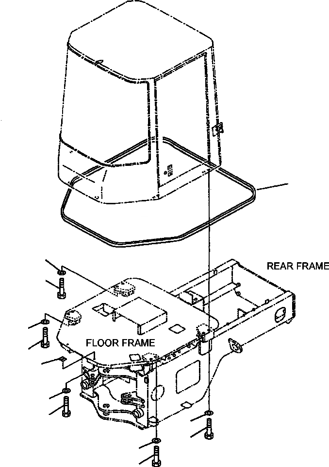
Запчасти Komatsu WA250-3MC K-A КАБИНА ROPS ЭЛЕМЕНТЫ КРЕПЛЕНИЯ OPERATORXD S ОБСТАНОВКА И СИСТЕМА УПРАВЛЕНИЯ

Схема запчастей Komatsu WA250-3MC - K-A КАБИНА ROPS ЭЛЕМЕНТЫ КРЕПЛЕНИЯ OPERATORXD S ОБСТАНОВКА И СИСТЕМА УПРАВЛЕНИЯ
7
6
5
6
4
3
2
1
6
5
6
4
FIT
1:1
100%

Артикул

Название

Примечание

Количество

1

01010-81240

BOLT

SN: A71001 --UP

2шт.

2

01643-31232

WASHER

SN: A71001 --UP

2шт.

3

42A-925-1281

SHIM, 1.0 MM

SN: A71001 --UP

4шт.

4

01010-62095

BOLT

SN: A71001 --UP

4шт.

5

01011-62025

BOLT

SN: A71001 --UP

4шт.

6

01643-32060

WASHER

SN: A71001 --UP

8шт.

7

419-926-A210

SEAL

SN: A71001 --UP

1шт.

Выбрано товаров: 0