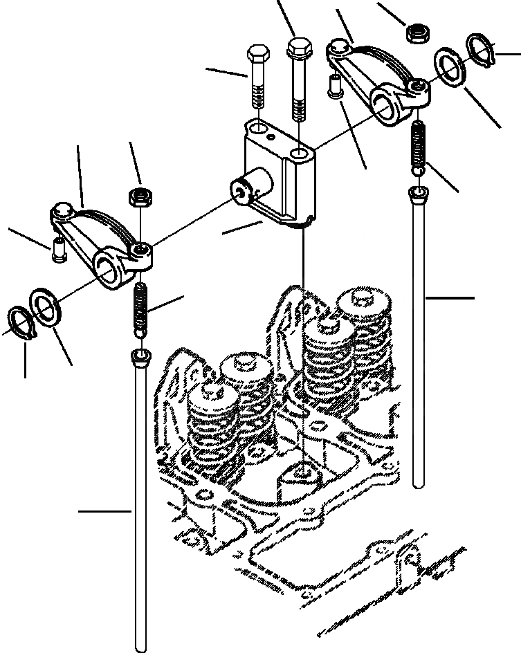
Запчасти Komatsu WA250-3MC A9-AA РЫЧАГ КОРОМЫСЛА ДВИГАТЕЛЬ

Схема запчастей Komatsu WA250-3MC - A9-AA РЫЧАГ КОРОМЫСЛА ДВИГАТЕЛЬ
13
8
6
11
12
4
10
2
9
7
5
1
3
14
10
11
14
FIT
1:1
100%

Артикул

Название

Примечание

Количество

|$0

6736-41-5110

SUPPORT, ROCKER LEVER

6шт.

1

6732-41-5120

SUPPORT, ROCKER LEVER

1шт.

|$2

NSS

SHAFT, ROCKER LEVER

1шт.

2

6732-41-5200

LEVER, ROCKER INTAKE

6шт.

|$4

NSS

LEVER, ROCKER

1шт.

3

6735-41-5560

SCREW, ROCKER LEVER ADJUSTING

1шт.

4

6735-41-5550

NUT, HEAVY HEXAGON (3/8-24 UNF)

1шт.

5

NSS

INSERT, ROCKER LEVER

1шт.

6

6732-41-5400

LEVER, ROCKER EXHAUST

6шт.

|$9

NSS

LEVER, ROCKER

1шт.

7

6735-41-5560

SCREW, ROCKER LEVER ADJUSTING

1шт.

8

6735-41-5550

NUT, HEAVY HEXAGON (3/8-24 UNF)

1шт.

9

NSS

INSERT, ROCKER LEVER

1шт.

10

6732-41-5160

WASHER, PLAIN (M19)

12шт.

11

6732-41-5170

RING, RETAINING

12шт.

12

6732-41-5180

BOLT (M8-1.25x75)

6шт.

13

6732-11-1640

BOLT

6шт.

14

6732-41-3111

ROD, PUSH

12шт.

Выбрано товаров: 18