Запчасти Komatsu WA250-3MC T-A ПОЛ Э/ПРОВОДКА BROOM РАБОЧЕЕ ОБОРУДОВАНИЕ

Схема запчастей Komatsu WA250-3MC - T-A ПОЛ Э/ПРОВОДКА BROOM РАБОЧЕЕ ОБОРУДОВАНИЕ
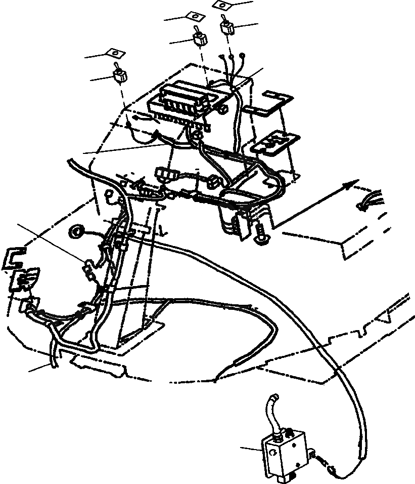
6
5
7
4
3
1
2
1
1
9
8
FIT
1:1
100%

Артикул

Название

Примечание

Количество

1

418-06-A1380

WIRING HARNESS

SN: A71001 --UP

1шт.

2

418-U77-A640

SWITCH, TOGGLE

SN: A71001 --UP

1шт.

3

418-U77-A970

DECAL

SN: A71001 --UP

1шт.

4

418-U77-A890

SWITCH, WATER PUMP

SN: A71001 --UP

1шт.

5

418-U77-A940

DECAL, WATER PUMP SWITCH

SN: A71001 --UP

1шт.

6

418-U77-A930

DECAL, BROOM SWITCH

SN: A71001 --UP

1шт.

7

418-U77-A910

SWITCH, BROOM

SN: A71001 --UP

1шт.

8

VALVE (SEE FIG. T4200-01A3 )

SN: A71001 --UP

-1шт.

9

WIRING HARNESS (SEE FIG. T4200-01A2 )

SN: A71001 --UP

-1шт.

Выбрано товаров: 9