Запчасти Komatsu WA250-3MC A-AA КРЕПЛЕНИЕ ГЕНЕРАТОРА ДВИГАТЕЛЬ

Схема запчастей Komatsu WA250-3MC - A-AA КРЕПЛЕНИЕ ГЕНЕРАТОРА ДВИГАТЕЛЬ
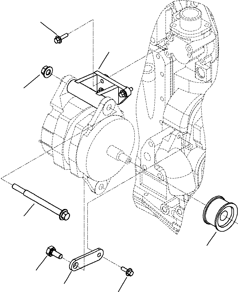
3
6
5
4
8
1
7
2
FIT
1:1
100%

Артикул

Название

Примечание

Количество

1

6735-81-6130

BOLT (1/2-13x1 INCH)

1шт.

2

6732-71-3220

BOLT (M8-1.25x20)

1шт.

3

6732-21-5160

BOLT (M8-1.25x25)

3шт.

4

6732-81-6130

BOLT (M12-1.75x150)

1шт.

5

6735-81-6140

NUT (M12-1.75)

1шт.

6

6732-81-6140

SUPPORT, ALTERNATOR

1шт.

7

6732-81-6150

BRACE, ALTERNATOR

1шт.

8

6735-81-6150

PULLEY, ALTERNATOR

1шт.

Выбрано товаров: 8