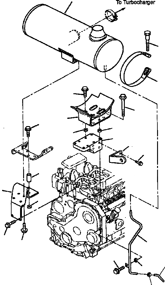
Запчасти Komatsu WA250-3MC B-A ГЛУШИТЕЛЬ И КРЕПЛЕНИЕ КОМПОНЕНТЫ ДВИГАТЕЛЯ

Схема запчастей Komatsu WA250-3MC - B-A ГЛУШИТЕЛЬ И КРЕПЛЕНИЕ КОМПОНЕНТЫ ДВИГАТЕЛЯ
1
3
2
7
8
5
12
6
6
4
18
19
11
9
10
13
14
15
16
21
17
20
FIT
1:1
100%

Артикул

Название

Примечание

Количество

1

418-01-A1710

MUFFLER

SN: A71001 --UP

1шт.

2

6138-11-5790

BAND ASSEMBLY

SN: A71001 --UP

1шт.

|$2

6110-11-4520

PIN

SN: A71001 --UP

1шт.

|$3

6110-11-4530

PIN WITH SCREW

SN: A71001 --UP

1шт.

3

6643-11-4641

BOLT

SN: A71001 --UP

1шт.

4

6732-11-5330

BRACKET

SN: A71001 --UP

1шт.

5

6735-11-5310

BRACKET

SN: A71001 --UP

1шт.

6

6110-23-6490

SPACER

SN: A71001 --UP

4шт.

7

01435-01035

BOLT

SN: A71001 --UP

1шт.

8

01011-81015

BOLT

SN: A71001 --UP

3шт.

9

418-02-A1320

BRACKET

SN: A71001 --UP

1шт.

10

6110-23-6490

SPACER

SN: A71001 --UP

1шт.

11

6143-11-4290

SPACER

SN: A71001 --UP

2шт.

12

01435-01085

BOLT

SN: A71001 --UP

2шт.

13

01435-00820

BOLT

SN: A71001 --UP

2шт.

14

01435-01025

BOLT

SN: A71001 --UP

4шт.

15

6735-11-5420

TUBE

SN: A71001 --UP

1шт.

16

01435-00825

BOLT

SN: A71001 --UP

1шт.

17

21T-72-14930

SPACER

SN: A71001 --UP

1шт.

18

6732-11-1940

PLATE

SN: A71001 --UP

1шт.

19

01435-01025

BOLT

SN: A71001 --UP

4шт.

20

07281-00197

CLAMP

SN: A71001 --UP

1шт.

21

417-02-A1370

HOSE, MUFFLER DRAIN

SN: A71001 --UP

1шт.

N/I

417-02-A1310

SUPPORT

SN: A71001 --UP

1шт.

N/I

417-02-A1340

SUPPORT, UPPER

SN: A71001 --UP

1шт.

N/I

417-02-A1350

SUPPORT, LOWER

SN: A71001 --UP

1шт.

Выбрано товаров: 26