Запчасти Komatsu WA250-5 ЛИНИЯ ОХЛАЖДЕНИЯ СИСТЕМА ОХЛАЖДЕНИЯ

Схема запчастей Komatsu WA250-5 - ЛИНИЯ ОХЛАЖДЕНИЯ СИСТЕМА ОХЛАЖДЕНИЯ
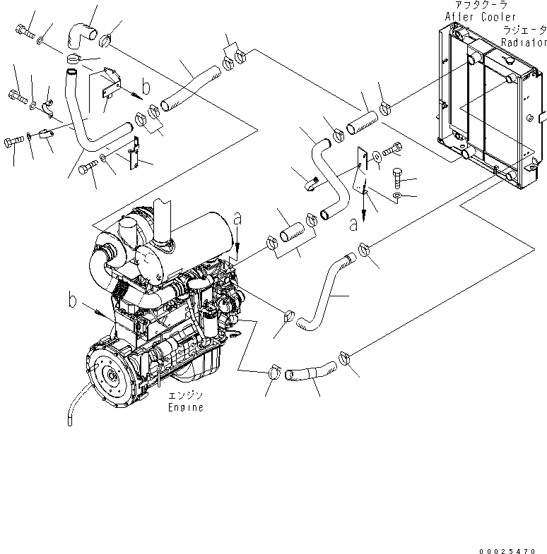
1
2
3
4
5
6
7
8
9
9
9
9
9
9
9
10
11
11
11
12
13
14
15
15
16
16
16
16
17
17
17
17
18
19
20
21
22
FIT
1:1
100%

Артикул

Название

Примечание

Количество

1

418-03-32112

HOSE

SN: 70001-UP

1шт.

2

418-03-32122

HOSE

SN: 70001-UP

1шт.

3

418-03-32172

PIPE

SN: 70001-UP

1шт.

4

418-03-32180

HOSE, 150MM

SN: 70001-UP

1шт.

5

418-03-32250

HOSE, 215MM

SN: 70001-UP

1шт.

6

418-03-32143

HOSE

SN: 70001-UP

1шт.

7

418-03-32153

PIPE

SN: 70001-UP

1шт.

8

418-03-32160

HOSE

SN: 70001-UP

1шт.

9

07289-00070

CLAMP

SN: 70001-UP

9шт.

10

07289-00055

CLAMP

SN: 70001-UP

1шт.

11

07299-00070

CLAMP

SN: 70001-UP

4шт.

12

418-03-31294

BRACKET

SN: 70001-UP

1шт.

13

01010-81225

BOLT

SN: 70001-UP

2шт.

14

01643-31232

WASHER

SN: 70001-UP

2шт.

15

418-03-31251

PLATE

SN: 70001-UP

2шт.

16

01010-81225

BOLT

SN: 70001-UP

8шт.

17

01643-31232

WASHER

SN: 70001-UP

8шт.

18

418-03-31222

BRACKET

SN: 70001-UP

1шт.

19

418-03-32193

BRACKET

SN: 70001-UP

1шт.

20

418-03-32261

PLATE

SN: 70001-UP

1шт.

21

124-54-26540

WASHER

SN: 70001-UP

2шт.

22

01010-81230

BOLT

SN: 70001-UP

2шт.

Выбрано товаров: 22