Запчасти Komatsu WA250-5 ПОЛ (УПРАВЛЕНИЕ ПОГРУЗКОЙ) (/) (ШЛАНГИ) КАБИНА ОПЕРАТОРА И СИСТЕМА УПРАВЛЕНИЯ

Схема запчастей Komatsu WA250-5 - ПОЛ (УПРАВЛЕНИЕ ПОГРУЗКОЙ) (/) (ШЛАНГИ) КАБИНА ОПЕРАТОРА И СИСТЕМА УПРАВЛЕНИЯ
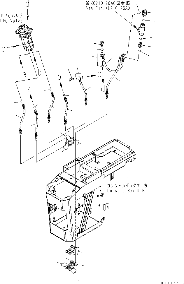
1
2
3
4
5
6
7
8
9
10
11
12
12
12
12
13
14
14
15
16
17
18
19
20
21
22
23
23
23
FIT
1:1
100%

Артикул

Название

Примечание

Количество

1

01583-11408

NUT

SN: 70001-UP

1шт.

2

418-43-38221

HOSE, 380MM,RED

SN: 70001-UP

1шт.

3

11Y-62-12170

ELBOW

SN: 70001-UP

1шт.

4

02896-11008

O-RING

SN: 70001-UP

1шт.

5

07002-02034

O-RING

SN: 70001-UP

1шт.

6

8255-62-4370

UNION

SN: 70001-UP

1шт.

7

07002-02034

O-RING

SN: 70001-UP

1шт.

8

02896-11008

O-RING

SN: 70001-UP

1шт.

9

418-43-38231

HOSE, 380MM,RED

SN: 70001-UP

1шт.

10

20Y-62-18910

PLUG

SN: 70001-UP

1шт.

11

07000-02018

O-RING

SN: 70001-UP

2шт.

12

07002-01423

O-RING

SN: 70001-UP

4шт.

13

418-43-38243

HOSE, 300MM,RED

SN: 70445-UP

1шт.

13

418-43-38242

HOSE, 300MM,RED

SN: 70001-70444

1шт.

14

01583-11408

NUT

SN: 70001-UP

4шт.

15

418-43-38253

HOSE, 300MM,BLUE

SN: 70445-UP

1шт.

15

418-43-38252

HOSE, 300MM,BLUE

SN: 70001-70444

1шт.

16

418-43-38262

HOSE, 300MM,YELLOW

SN: 70001-UP

1шт.

17

418-43-38272

HOSE, 300MM,ORANGE

SN: 70001-UP

1шт.

18

20Y-62-18890

BOLT, JOINT

SN: 70001-UP

1шт.

19

07000-02018

O-RING

SN: 70001-UP

2шт.

20

418-43-38282

HOSE, 330MM,BLUE

SN: 70001-UP

1шт.

21

01583-11408

NUT

SN: 70001-UP

1шт.

22

01643-31445

WASHER

SN: 70001-UP

6шт.

23

01643-31445

WASHER

SN: 70001-UP

6шт.

Выбрано товаров: 0