Запчасти Komatsu WA250-5 ПОЛ (ЭЛЕКТРИКА) (ДЛЯ НАВЕСА) КАБИНА ОПЕРАТОРА И СИСТЕМА УПРАВЛЕНИЯ

Схема запчастей Komatsu WA250-5 - ПОЛ (ЭЛЕКТРИКА) (ДЛЯ НАВЕСА) КАБИНА ОПЕРАТОРА И СИСТЕМА УПРАВЛЕНИЯ
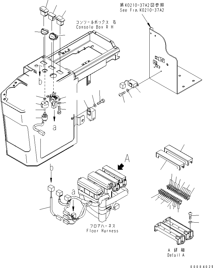
1
1
1
2
2
2
2
3
4
4
5
5
5
6
7
8
9
10
11
12
13
14
15
16
17
18
19
20
21
22
23
24
25
26
27
FIT
1:1
100%

Артикул

Название

Примечание

Количество

1

283-06-16190

FUSE, 10A

SN: 70001-UP

14шт.

2

22W-06-13160

FUSE, 20A

SN: 70001-UP

3шт.

3

283-06-16120

COVER

SN: 70001-UP

1шт.

4

283-06-16190

FUSE, 10A

SN: 70001-UP

9шт.

5

22W-06-13160

FUSE, 20A

SN: 70001-UP

6шт.

6

283-06-16120

COVER

SN: 70001-UP

1шт.

7

01220-40520

SCREW

SN: 70001-UP

4шт.

8

01641-20508

WASHER

SN: 70001-UP

4шт.

9

23S-05-35320

BUZZER

SN: 70001-UP

1шт.

10

01220-40412

SCREW

SN: 70001-UP

2шт.

11

01641-20405

WASHER

SN: 70001-UP

2шт.

12

421-06-36232

SWITCH,SPEED RANGE SELECTOR

SN: 70001-UP

1шт.

12

0

SWITCH,SPEED RANGE SELECTOR

SN: (70001-70771)

1шт.

13

416-54-32770

COVER

SN: 72742-UP

1шт.

14

416-54-32790

O-RING

SN: 72742-UP

1шт.

15

195-979-7290

COLLAR

SN: 72742-72792

1шт.

16

421-06-36241

KNOB

SN: 70001-UP

1шт.

17

416-06-22250

FLASHER

SN: 70001-UP

1шт.

18

01010-80612

BOLT

SN: 70001-UP

2шт.

19

01643-30623

WASHER

SN: 70001-UP

2шт.

20

418-06-36370

SWITCH,TRACTION CONTROL

SN: 70931-UP

1шт.

20

418-06-36190

SWITCH,TRACTION CONTROL

SN: 70001-70930

1шт.

21

418-06-31451

WIRING HARNESS

SN: 70001-UP

1шт.

22

22U-06-22420

POTENTIOMETER ASS'Y

SN: 70001-UP

1шт.

23

22U-06-22470

KNOB

SN: 70001-UP

1шт.

24

01010-80612

BOLT

SN: 70001-UP

2шт.

25

01643-30623

WASHER

SN: 70001-UP

2шт.

26

418-06-36230

PLUG

SN: 70001-UP

1шт.

27

418-06-36380

SWITCH,MULTI FUNCTION

SN: 70931-UP

1шт.

27

418-06-36220

SWITCH,MULTI FUNCTION

SN: 70001-70930

1шт.

Выбрано товаров: 30