Запчасти Komatsu WA250-5 МОТОР (С ORIFICE) (/7)(№7-7) ОСНОВН. КОМПОНЕНТЫ И РЕМКОМПЛЕКТЫ

Схема запчастей Komatsu WA250-5 - МОТОР (С ORIFICE) (/7)(№7-7) ОСНОВН. КОМПОНЕНТЫ И РЕМКОМПЛЕКТЫ
1
2
3
FIT
1:1
100%

Артикул

Название

Примечание

Количество

|$1

418-18-31301

MOTOR

SN: 70001-72634

1шт.

|$$2

THIS ASSEMBLY CONSISTS OF ALL PARTS SHOWN IN FIGS.Y1651-01A1 TO Y1651-07A1.

-1шт.

|$3

UC4020753393

CONTROL,(SEE FIG. Y1651-04A1)

SN: 70001-72634

1шт.

|$4

UC4706037627

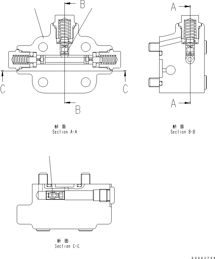
FLUSHING VALVE

SN: 70001-72634

1шт.

1

UC4706138362

FLUSHING VALVE,(SEE FIG. Y1651-07A1)

SN: 70001-72634

1шт.

2

UC4704466252

ORIFICE

SN: 70001-72634

1шт.

3

UC4704475917

ORIFICE

SN: 70001-72634

1шт.

Выбрано товаров: 7