Запчасти Komatsu WA250-5 ПЕРЕДАЧА (/) (КОРПУС) ТРАНСМИССИЯ

Схема запчастей Komatsu WA250-5 - ПЕРЕДАЧА (/) (КОРПУС) ТРАНСМИССИЯ
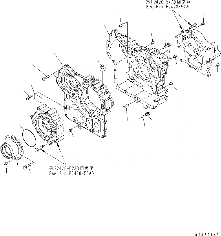
1
2
3
3
4
4
5
6
7
8
9
10
11
12
13
14
14
14
14
14
15
FIT
1:1
100%

Артикул

Название

Примечание

Количество

|$5

418-17-31004

TRANSFER ASS'Y

SN: 72667-UP

1шт.

|$6

418-17-31002

TRANSFER ASS'Y

SN: 70963-72666

1шт.

|$7

418-17-31001

TRANSFER ASS'Y

SN: 70001-70962

1шт.

|$8

0

TRANSFER ASS'Y

SN: (70001-70549)

1шт.

|$$5

THESE ASSEMBLIES CONSIST OF ALL PARTS SHOWN IN FIGS.F2420-51A0 TO F2420-54A0.

-1шт.

|$10

418-17-31105

CASE ASS'Y

SN: 72667-UP

1шт.

|$11

418-17-31103

CASE ASS'Y

SN: 70963-72666

1шт.

|$12

418-17-31102

CASE ASS'Y

SN: 70001-70962

1шт.

1

0

CASE,FRONT

SN: 72667-UP

1шт.

1

0

CASE,FRONT

SN: 70963-72666

1шт.

1

0

CASE,FRONT

SN: 70001-70962

1шт.

2

0

CASE,REAR

SN: 72667-UP

1шт.

2

0

CASE,REAR

SN: 70001-72666

1шт.

3

01010-81235

BOLT

SN: 70001-UP

20шт.

4

04020-01228

PIN

SN: 70001-UP

2шт.

5

07043-A0211

PLUG

SN: 70001-UP

2шт.

6

07044-12412

PLUG

SN: 70001-UP

1шт.

7

07002-12434

O-RING

SN: 70001-UP

1шт.

8

07030-00252

BREATHER

SN: 70001-UP

1шт.

9

418-17-31132

CAGE

SN: 70001-UP

1шт.

10

01010-81235

BOLT

SN: 70001-UP

6шт.

11

07000-75130

O-RING

SN: 70001-UP

1шт.

12

09608-05080

PLATE, NAME

SN: 70001-UP

1шт.

13

04418-13060

SCREW

SN: 70001-UP

4шт.

14

07049-01215

PLUG

SN: 70001-UP

9шт.

15

07049-01620

PLUG

SN: 70001-UP

1шт.

Выбрано товаров: 26