Запчасти Komatsu WA250-5 ПЕРЕДАЧА (/) (КОРПУС) F ТРАНСМИССИЯ

Схема запчастей Komatsu WA250-5 - ПЕРЕДАЧА (/) (КОРПУС) F ТРАНСМИССИЯ
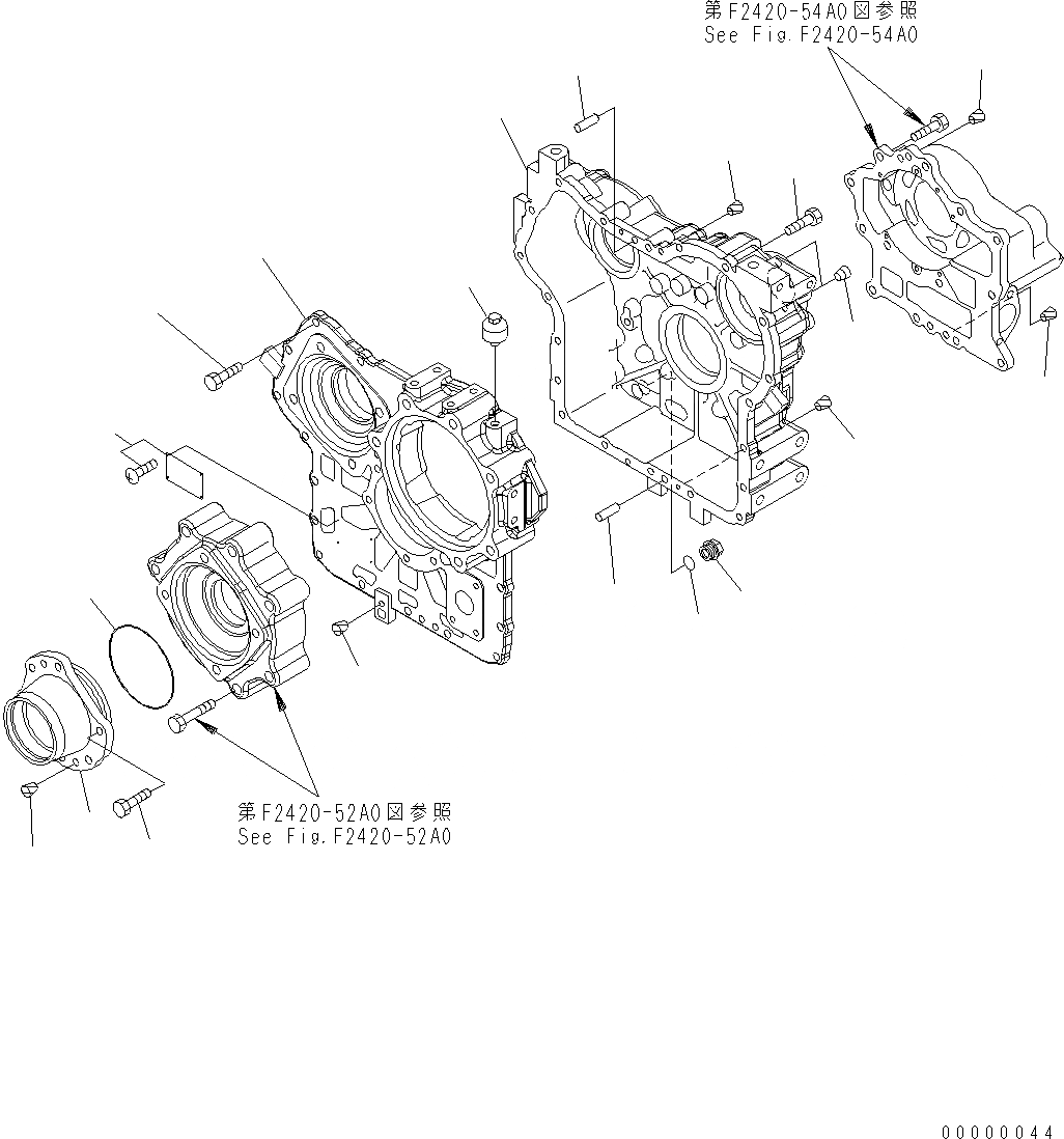
11
12
3
1
8
2
4
13
3
13
14
5
13
6
7
4
13
10
9
13
FIT
1:1
100%

Артикул

Название

Примечание

Количество

|$1

418-17-31002

TRANSFER ASSEMBLY

SN: H50051-UP

1шт.

|$2

REFER TO FIG. NOS. OF REPAIR PARTS FOR O.S.¤ U.S.¤ AND SERVICE PARTS.

-1шт.

|$3

418-17-31101

CASE ASSEMBLY

SN: H50051-UP

1шт.

1

418-17-31111

CASE

SN: H50051-UP

1шт.

2

418-17-31122

CASE

SN: H50051-UP

1шт.

3

01010-81235

BOLT

SN: H50051-UP

20шт.

4

04020-01228

PIN

SN: H50051-UP

2шт.

5

07043-00211

PLUG

SN: H50051-UP

2шт.

6

07044-12412

PLUG

SN: H50051-UP

1шт.

7

07002-12434

O-RING

SN: H50051-UP

1шт.

8

07030-00252

BREATHER

SN: H50051-UP

1шт.

9

418-17-31132

CAGE

SN: H50051-UP

1шт.

10

01010-81235

BOLT

SN: H50051-UP

6шт.

11

07000-15130

O-RING

SN: H50051-UP

1шт.

12

09608-05080

PLATE¤ NAME

SN: H50051-UP

1шт.

|$16

04418-13060

SCREW

SN: H50051-UP

4шт.

13

07049-01215

PLUG

SN: H50051-UP

9шт.

14

07049-01620

PLUG

SN: H50051-UP

1шт.

Выбрано товаров: 18