Запчасти Komatsu WA250-5 ПЕРЕДАЧА (/) (ПРИВОД) F ТРАНСМИССИЯ

Схема запчастей Komatsu WA250-5 - ПЕРЕДАЧА (/) (ПРИВОД) F ТРАНСМИССИЯ
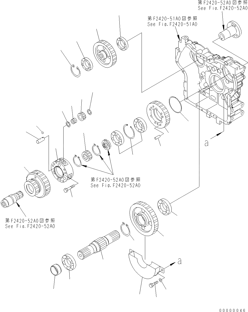
16
15
14
15
5
8
7
6
2
7
3
4
1
10
13
9
11
12
25
17
22
21
24
23
18
19
20
FIT
1:1
100%

Артикул

Название

Примечание

Количество

|$1

418-17-31002

TRANSFER ASSEMBLY

SN: H50051-UP

1шт.

|$2

REFER TO FIG. NOS. OF REPAIR PARTS FOR O.S.¤ U.S.¤ AND SERVICE PARTS.

-1шт.

1

418-17-32211

GEAR

SN: H50051-UP

1шт.

2

418-17-32411

GEAR

SN: H50051-UP

3шт.

3

418-17-32611

GEAR

SN: H50051-UP

1шт.

4

418-17-32312

CARRIER

SN: H50051-UP

1шт.

5

418-17-32511

SHAFT

SN: H50051-UP

3шт.

6

418-17-39311

BEARING

SN: H50051-UP

3шт.

7

418-17-32570

THRUST WASHER

SN: H50051-UP

6шт.

8

04260-00635

BALL

SN: H50051-UP

3шт.

9

04020-01228

PIN

SN: H50051-UP

2шт.

10

01252-31260

BOLT

SN: H50051-UP

6шт.

11

418-17-33212

GEAR

SN: H50051-UP

1шт.

12

14Y-22-13270

RING

SN: H50051-UP

1шт.

13

418-17-39321

BEARING

SN: H50051-UP

1шт.

14

418-17-33220

GEAR

SN: H50051-UP

1шт.

15

06040-06011

BEARING

SN: H50051-UP

2шт.

16

04065-09030

RING

SN: H50051-UP

1шт.

17

418-17-33231

GEAR

SN: H50051-UP

1шт.

18

418-17-33411

BUFFLE

SN: H50051-UP

1шт.

19

01010-81225

BOLT

SN: H50051-UP

1шт.

20

01643-31232

WASHER

SN: H50051-UP

1шт.

21

418-17-32122

SHAFT

SN: H50051-UP

1шт.

22

04064-07525

RING

SN: H50051-UP

1шт.

23

417-17-32131

SPACER

SN: H50051-UP

1шт.

24

418-17-39330

BEARING

SN: H50051-UP

1шт.

25

418-17-39340

BEARING

SN: H50051-UP

1шт.

Выбрано товаров: 27