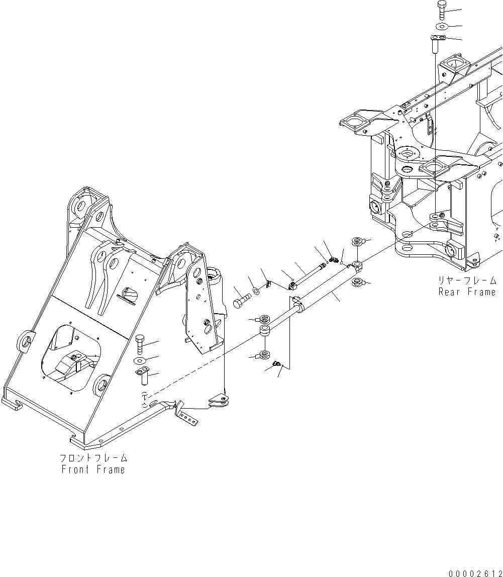
Запчасти Komatsu WA250-5 ЦИЛИНДР РУЛЕВ. УПР-Я J ОСНОВНАЯ РАМА И ЕЕ ЧАСТИ

Схема запчастей Komatsu WA250-5 - ЦИЛИНДР РУЛЕВ. УПР-Я J ОСНОВНАЯ РАМА И ЕЕ ЧАСТИ
12
14
15
15
12
14
11
10
13
13
13
13
7
8
9
2
4
3
6
5
1
FIT
1:1
100%

Артикул

Название

Примечание

Количество

1

419-63-H1120

CYLINDER ASSEMBLY

SN: H50051-UP

2шт.

|$2

707-00-0E240

CYLINDER ASSEMBLY (ALTERNATIVE)

SN: H50051-UP

2шт.

2

418-46-34210

TUBE

SN: H50051-UP

2шт.

3

02896-11012

O-RING

SN: H50051-UP

2шт.

4

418-46-34220

PLATE

SN: H50051-UP

2шт.

5

01010-81016

BOLT

SN: H50051-UP

4шт.

6

01643-31032

WASHER

SN: H50051-UP

4шт.

7

02782-10422

ELBOW

SN: H50051-UP

2шт.

8

07002-12034

O-RING

SN: H50051-UP

2шт.

9

02896-11012

O-RING

SN: H50051-UP

2шт.

10

799-101-5220

NIPPLE

SN: H50051-UP

2шт.

11

07002-11023

O-RING

SN: H50051-UP

2шт.

12

419-46-12260

PIN

SN: H50051-UP

4шт.

13

419-46-12280

SHIM¤ 1.0MM

SN: H50051-UP

18шт.

13A

419-46-12290

SHIM¤ 0.5MM

SN: H50051-UP

10шт.

14

01010-81220

BOLT

SN: H50051-UP

4шт.

15

175-54-34170

WASHER

SN: H50051-UP

4шт.

Выбрано товаров: 17