Запчасти Komatsu WA250-5 OPERATORґS СИДЕНЬЕ (ВНУТР. ЧАСТИ - ВОЗД. ПОДВЕСКА, ПОДОГРЕВED) K OPERATORґS ОБСТАНОВКА И СИСТЕМА УПРАВЛЕНИЯ

Схема запчастей Komatsu WA250-5 - OPERATORґS СИДЕНЬЕ (ВНУТР. ЧАСТИ - ВОЗД. ПОДВЕСКА, ПОДОГРЕВED) K OPERATORґS ОБСТАНОВКА И СИСТЕМА УПРАВЛЕНИЯ
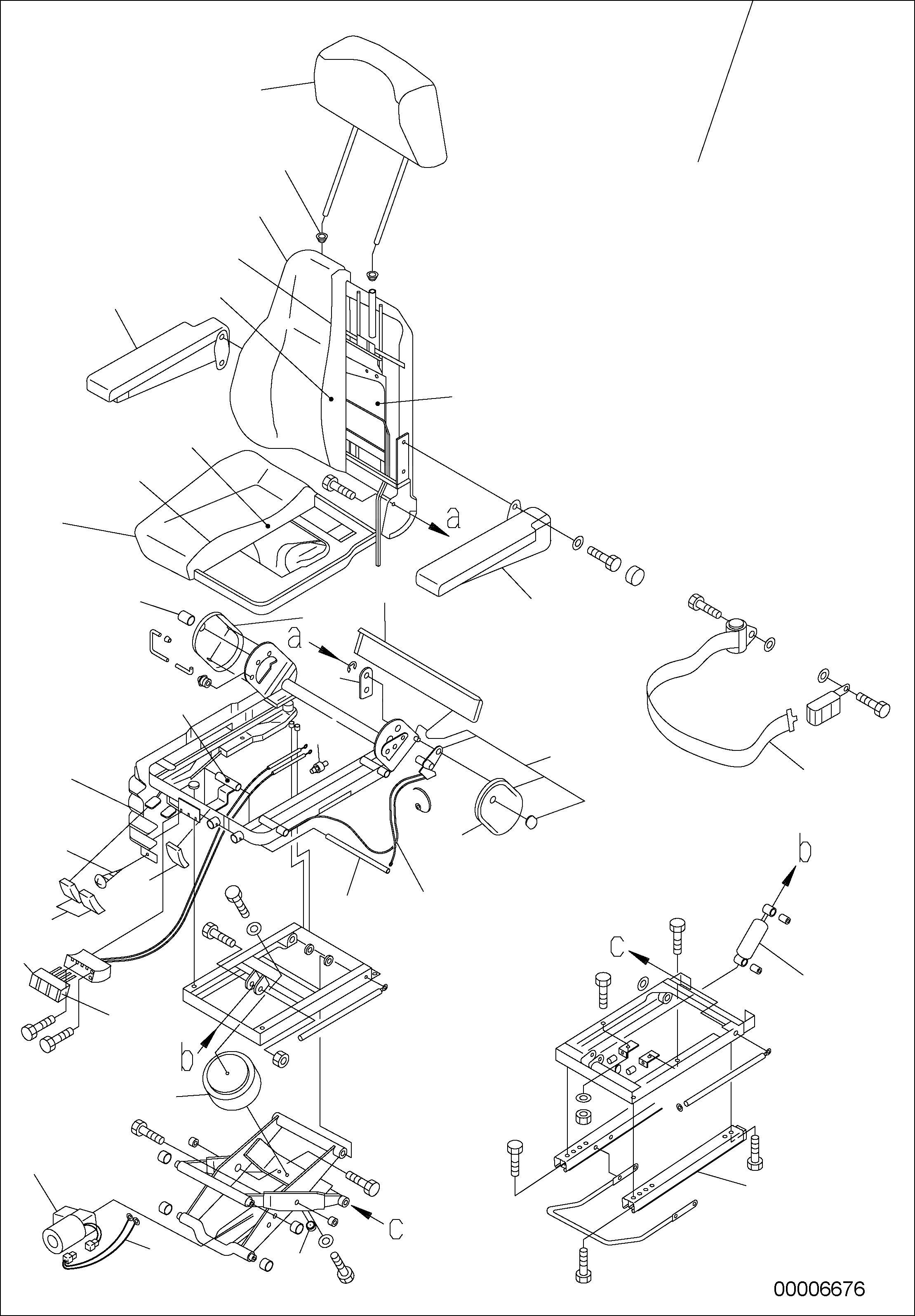
1A
2
1
3
5
4
24
6
9
8
7
10
10
23
10
12
12
14
12
15
22
10
16
12
12
12
11
25
20
13
17
19
21
18
17
FIT
1:1
100%

Артикул

Название

Примечание

Количество

1

421-960-H280

SEAT ASSEMBLY

SN: H50051-UP

1шт.

1A

419-960-HP01

REST

SN: H50051-UP

1шт.

2

423-57-H0P58

SLEEVE

SN: H50051-UP

2шт.

3

421-960-HP03

REST

SN: H50051-UP

1шт.

4

423-960-HP12

HEATER

SN: H50051-UP

1шт.

5

421-960-HP01

COVER

SN: H50051-UP

1шт.

6

423-57-H0P98

CUSHION

SN: H50051-UP

1шт.

7

419-960-HP44

CUSHION

SN: H50051-UP

1шт.

8

419-960-HP42

COVER

SN: H50051-UP

1шт.

9

423-960-HP11

HEATER

SN: H50051-UP

1шт.

10

419-960-HP34

MASK

SN: H50051-UP

1шт.

11

42W-57-H0P04

GRIP

SN: H50051-UP

1шт.

12

42W-57-H0P03

RATCHET

SN: H50051-UP

1шт.

13

419-960-HP46

SWITCH ASSEMBLY

SN: H50051-UP

1шт.

14

419-960-HP36

VALVE

SN: H50051-UP

1шт.

15

419-960-HP37

BELLOWS

SN: H50051-UP

1шт.

16

421-57-31580

CLIP

SN: H50051-UP

1шт.

17

423-57-H0P41

SPRING

SN: H50051-UP

1шт.

18

423-57-H0P34

RELAY

SN: H50051-UP

1шт.

19

419-960-HP39

COMPRESSOR

SN: H50051-UP

1шт.

20

419-960-HP40

DAMPER

SN: H50051-UP

1шт.

21

421-960-HP02

RAIL ASSEMBLY

SN: H50051-UP

1шт.

22

42Y-57-H0P08

SEAT BELT ASSEMBLY

SN: H50051-UP

1шт.

23

423-57-H0P49

REST

SN: H50051-UP

1шт.

24

423-57-H0P50

REST

SN: H50051-UP

1шт.

25

421-960-HR01

SWITCH

SN: H50051-UP

1шт.

Выбрано товаров: 26