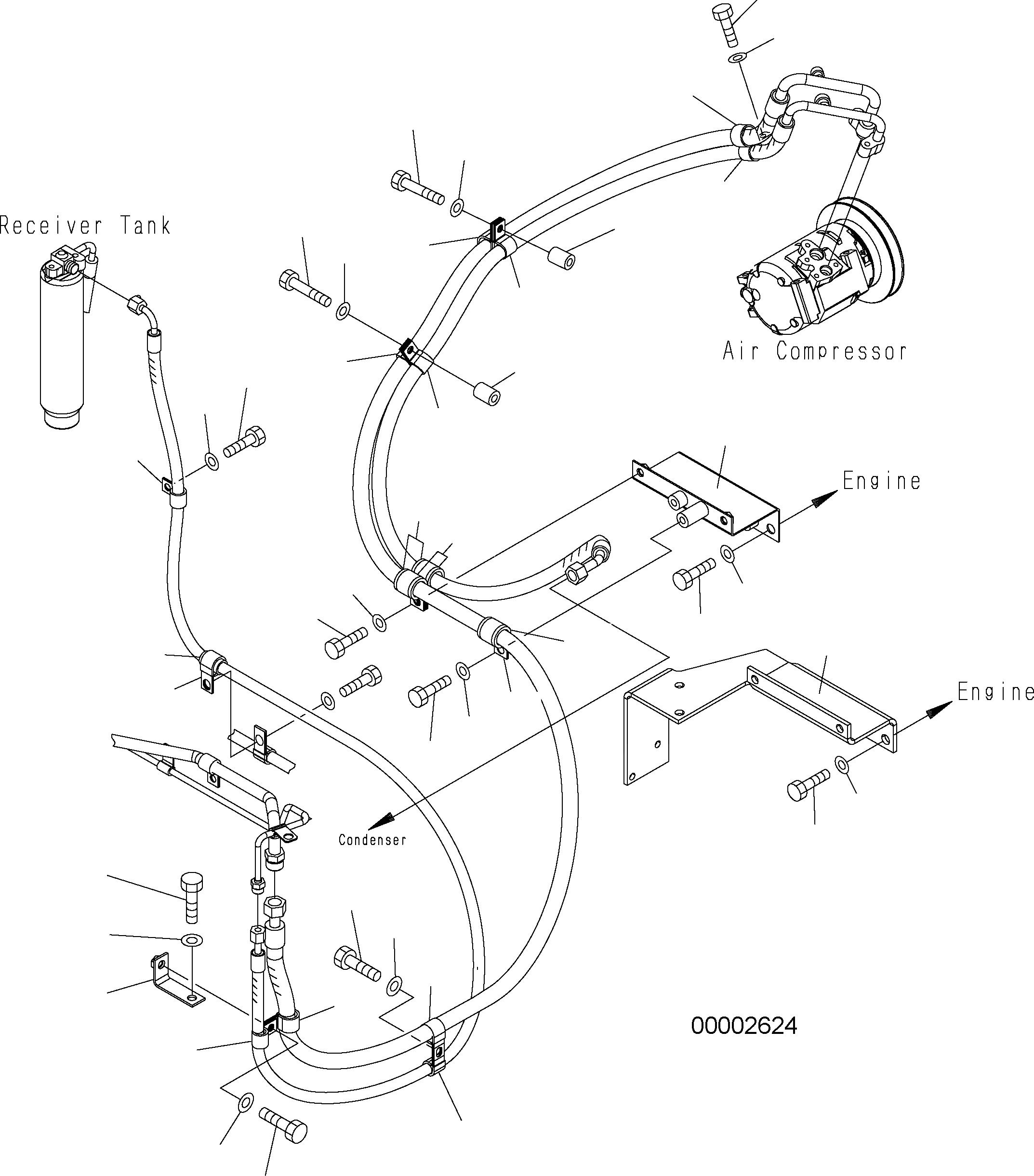
Запчасти Komatsu WA250-5 КОНДИЦ. ВОЗДУХА (ТРУБЫ) K OPERATORґS ОБСТАНОВКА И СИСТЕМА УПРАВЛЕНИЯ

Схема запчастей Komatsu WA250-5 - КОНДИЦ. ВОЗДУХА (ТРУБЫ) K OPERATORґS ОБСТАНОВКА И СИСТЕМА УПРАВЛЕНИЯ
11
1A
12
2A
5
17
18
4
17
16
18
5
4
5
11
16
12
1
4
10
14
13
22
3
21
2
14
15
10
13
20
19
3
7
11
12
8
5
6
5
9
9
12
11
FIT
1:1
100%

Артикул

Название

Примечание

Количество

1

418-07-32113

BRACKET

SN: H50051-UP

1шт.

1A

419-07-32110

BRACKET

SN: H50051-UP

1шт.

2

01010-81220

BOLT

SN: H50051-UP

2шт.

2A

01024-81225

BOLT

SN: H50051-UP

2шт.

3

01643-31232

WASHER

SN: H50051-UP

2шт.

4

04434-51912

CLIP

SN: H50051-UP

3шт.

5

04434-52112

CLIP

SN: H50051-UP

4шт.

6

417-07-22380

PLATE

SN: H50051-UP

1шт.

7

01010-81020

BOLT

SN: H50051-UP

1шт.

8

01643-31032

WASHER

SN: H50051-UP

1шт.

9

04434-51612

CLIP

SN: H50051-UP

2шт.

10

04434-52112

CLIP

SN: H50051-UP

2шт.

11

01010-81025

BOLT

SN: H50051-UP

4шт.

12

01643-31032

WASHER

SN: H50051-UP

4шт.

13

04434-52712

CLIP

SN: H50051-UP

4шт.

14

07095-20420

CUSHION

SN: H50051-UP

4шт.

15

07095-20314

CUSHION

SN: H50051-UP

2шт.

16

6167-21-5910

SPACER

SN: H50051-UP

2шт.

17

01010-81050

BOLT

SN: H50051-UP

2шт.

18

01643-31032

WASHER

SN: H50051-UP

2шт.

19

01010-81060

BOLT

SN: H50051-UP

1шт.

20

01643-31032

WASHER

SN: H50051-UP

1шт.

21

01010-81025

BOLT

SN: H50051-UP

1шт.

22

01643-31032

WASHER

SN: H50051-UP

1шт.

Выбрано товаров: 0