Запчасти Komatsu WA250-5L ГИДРАВЛ BROOM (/) ГИДРАВЛИКА

Схема запчастей Komatsu WA250-5L - ГИДРАВЛ BROOM (/) ГИДРАВЛИКА
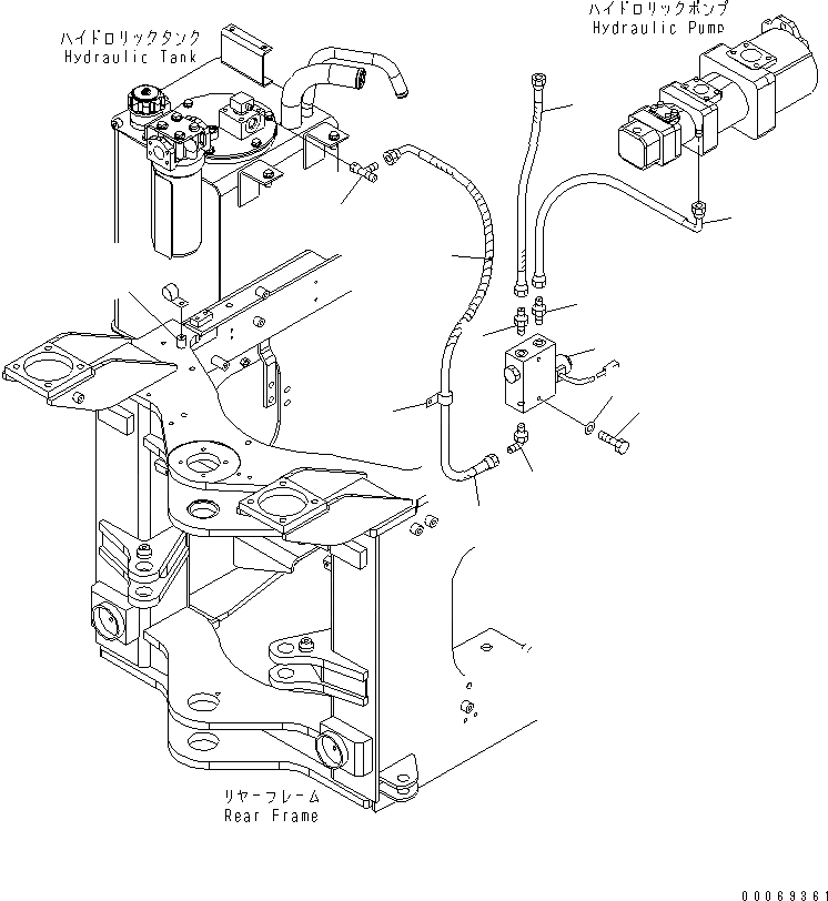
1
2
3
4
4
5
6
7
8
9
10
11
12
FIT
1:1
100%

Артикул

Название

Примечание

Количество

1

418-62-A1630

VALVE,DIVERTER

SN: A73001-UP

1шт.

2

01010-81080

BOLT

SN: A73001-UP

2шт.

3

01643-31032

WASHER

SN: A73001-UP

2шт.

4

418-62-A1180

UNION

SN: A73001-UP

2шт.

5

418-62-A1170

ELBOW

SN: A73001-UP

1шт.

6

419-U45-1220

PROTECTOR

SN: A73001-UP

1шт.

7

418-62-A1280

HOSE

SN: A73001-UP

1шт.

8

418-62-A1261

HOSE

SN: A73001-UP

1шт.

9

08210-02903

SPIRAL TUBE

SN: A73001-UP

2шт.

10

04434-52312

CLIP

SN: A73001-UP

1шт.

11

423-54-11340

SPACER

SN: A73001-UP

1шт.

12

418-62-A1270

TEE

SN: A73001-UP

1шт.

Выбрано товаров: 12