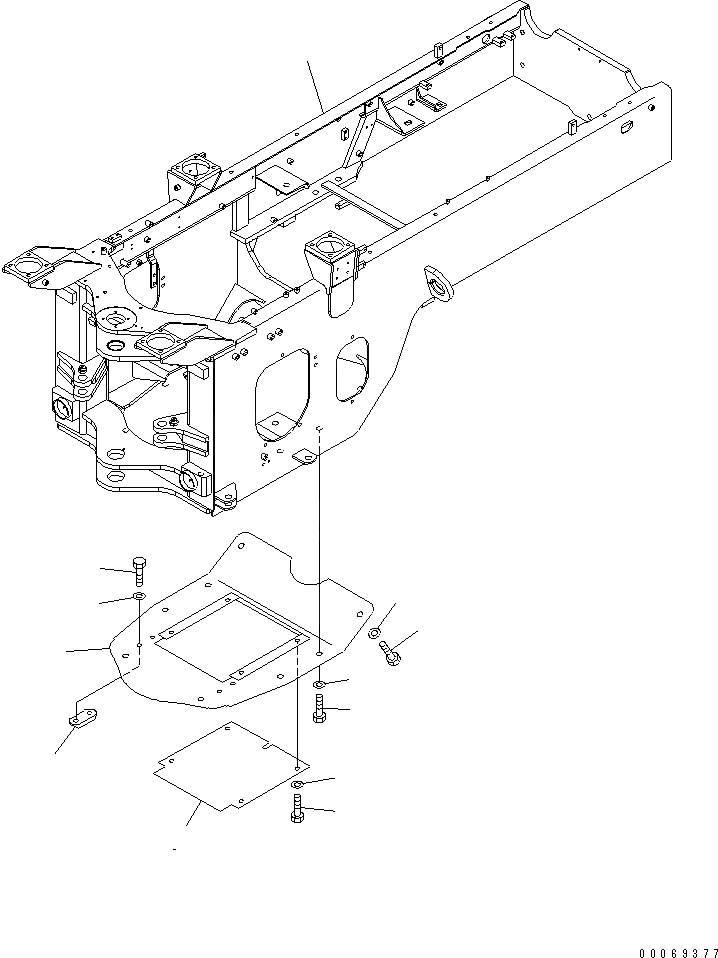
Запчасти Komatsu WA250-5L ЗАДН. РАМА (WASTE РУКОЯТЬR НИЖН. ЗАЩИТА) ОСНОВНАЯ РАМА И ЕЕ ЧАСТИ

Схема запчастей Komatsu WA250-5L - ЗАДН. РАМА (WASTE РУКОЯТЬR НИЖН. ЗАЩИТА) ОСНОВНАЯ РАМА И ЕЕ ЧАСТИ
1
2
3
4
5
6
7
8
9
9
10
10
FIT
1:1
100%

Артикул

Название

Примечание

Количество

1

418-46-A1760

REAR FRAME

SN: A73001-UP

1шт.

|$2

418-46-A1750

UNDER GUARD,REAR FRAME

SN: A73001-UP

1шт.

2

418-46-A1710

GUARD

SN: A73001-UP

1шт.

3

418-46-A1320

COVER

SN: A73001-UP

1шт.

4

421-46-A3760

BAR

SN: A73001-UP

2шт.

5

01010-81240

BOLT

SN: A73001-UP

4шт.

6

01010-81635

BOLT

SN: A73001-UP

4шт.

7

01643-11232

WASHER

SN: A73001-UP

4шт.

8

01643-31645

WASHER

SN: A73001-UP

4шт.

9

01010-81645

BOLT

SN: A73001-UP

8шт.

10

01643-31645

WASHER

SN: A73001-UP

8шт.

Выбрано товаров: 11