Запчасти Komatsu WA250-5L ЗАДН. Э/ПРОВОДКА (HYDROSTATIC Э/ПРОВОДКА ТРАНСМИССИИ) ЭЛЕКТРИКА

Схема запчастей Komatsu WA250-5L - ЗАДН. Э/ПРОВОДКА (HYDROSTATIC Э/ПРОВОДКА ТРАНСМИССИИ) ЭЛЕКТРИКА
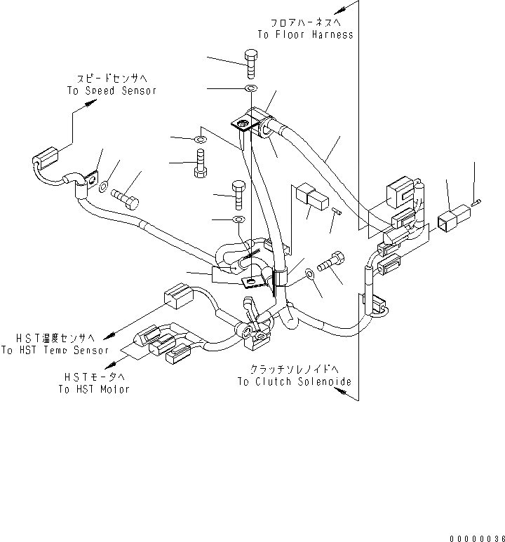
1
2
2
3
4
5
6
6
6
6
6
7
7
7
7
7
8
8
9
9
FIT
1:1
100%

Артикул

Название

Примечание

Количество

1

418-06-32365

WIRING HARNESS

SN: A73001-UP

1шт.

2

04434-51412

CLIP

SN: A73001-UP

3шт.

3

04434-51912

CLIP

SN: A73001-UP

1шт.

4

07095-20318

CUSHION

SN: A73001-UP

1шт.

5

04434-52512

CLIP

SN: A73001-UP

1шт.

6

01010-81020

BOLT

SN: A73001-UP

5шт.

7

01643-31032

WASHER

SN: A73001-UP

5шт.

8

08192-22100

CONNECTOR

SN: A73001-UP

3шт.

9

08191-00770

PLUG

SN: A73001-UP

6шт.

Выбрано товаров: 9