Качественные детали и логистика
Оригинальные и аналоговые запчасти с доставкой по России, Казахстану и Беларуси
©2022 PartSell ООО "Система" ИНН 2463123282 ОГРН 1212400004838
Центральный офис: г. Красноярск, Академика Киренского, д.87, пом.4
Телефон: 8 (800) 777-65-74 Email: zakaz@partsell.ru
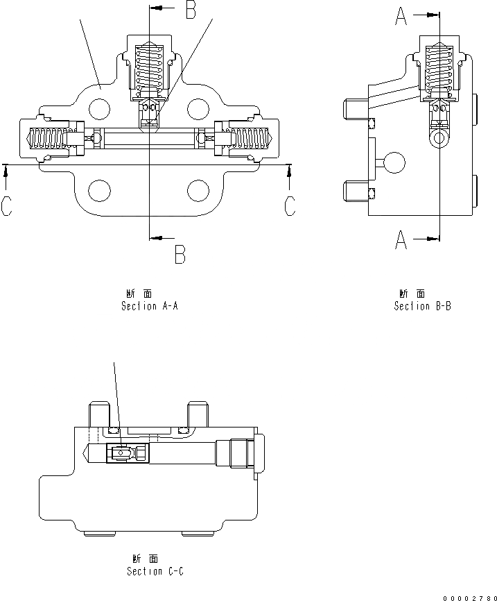
МОТОР (HST НИЗ. SPEED ASSIST) (ПРОМЫВОЧН. КЛАПАН)
№
Артикул
Название
Примечание
Количество
|$1
UC4706037627
FLUSHING VALVE
SN: A73001-UP
1шт.
1
FLUSHING VALVE,(SEE FIG. F2320-12A1)
-1шт.
2
UC4704466252
ORIFICE
3
UC4704475917
Выбрано товаров: 0