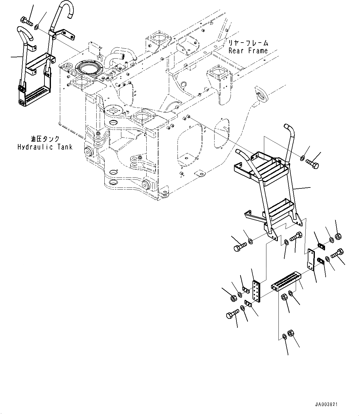
Запчасти Komatsu WA250-6 ЛЕСТНИЦА, (№779-) ЛЕСТНИЦА

Схема запчастей Komatsu WA250-6 - ЛЕСТНИЦА, (№779-) ЛЕСТНИЦА
1
8
3
2
9
12
13
11
10
13
12
7
9
13
12
11
10
11
10
8
9
13
12
10
11
9
6
5
4
FIT
1:1
100%

Артикул

Название

Примечание

Количество

1

418-54-45584

Ladder

SN: 77116-UP

1шт.

1

418-54-45583

Ladder

SN: 75053-77115

1шт.

2

01010-81225

Bolt

SN: 75053-UP

5шт.

3

01643-31232

Washer

SN: 75053-UP

5шт.

4

418-54-45592

Ladder

SN: 77116-UP

1шт.

4

418-54-45591

Ladder

SN: 75053-77115

1шт.

5

01010-81225

Bolt

SN: 75053-UP

4шт.

6

01643-31232

Washer

SN: 75053-UP

4шт.

7

421-54-34611

Step

SN: 75053-UP

2шт.

8

424-54-44881

Rubber

SN: 75709-UP

4шт.

9

428-T86-1650

Plate

SN: 75053-UP

8шт.

10

01010-D1045

Bolt

SN: 75815-UP

16шт.

10

01010-D1040

Bolt

SN: 75053-75814

16шт.

11

01643-71032

Washer

SN: 75053-UP

16шт.

12

01596-01009

Nut, Flanged

SN: 75053-UP

16шт.

13

01643-71032

Washer

SN: 75053-UP

16шт.

Выбрано товаров: 16