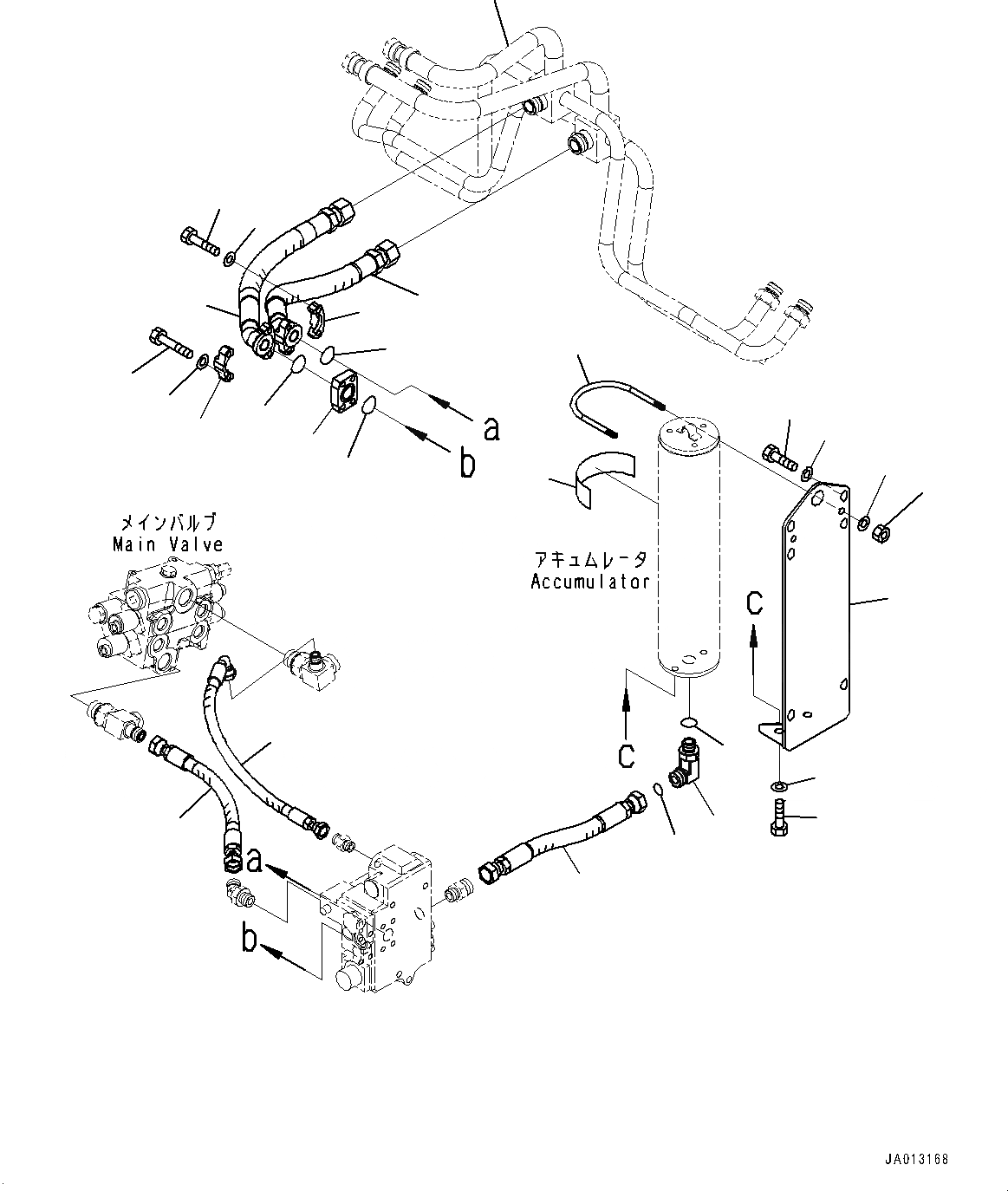
Запчасти Komatsu WA250-6 ГИДРОЛИНИЯ, АККУМУЛЯТОР КОМПОНЕНТЫ (№7-) ГИДРОЛИНИЯ, С 4-Х СЕКЦИОНН. УПРАВЛЯЮЩ. КЛАПАН, ECSS

Схема запчастей Komatsu WA250-6 - ГИДРОЛИНИЯ, АККУМУЛЯТОР КОМПОНЕНТЫ (№7-) ГИДРОЛИНИЯ, С 4-Х СЕКЦИОНН. УПРАВЛЯЮЩ. КЛАПАН, ECSS
18
15
15
14
24
23
22
21
20
19
17
16
15
14
1
2
3
4
5
6
7
8
10
9
11
13
12
25
FIT
1:1
100%

Артикул

Название

Примечание

Количество

1

01010-81230

Bolt

SN: 75042-UP

2шт.

2

01643-31232

Washer

SN: 75042-UP

2шт.

3

421-S99-3132

Clip

SN: 75042-UP

1шт.

4

01596-01009

Nut, Flanged

SN: 75042-UP

2шт.

5

01643-31032

Washer

SN: 75042-UP

2шт.

6

418-S99-3291

Bracket

SN: 75042-UP

1шт.

7

01010-81225

Bolt

SN: 75042-UP

4шт.

8

01643-31232

Washer

SN: 75042-UP

4шт.

9

02782-1062A

Elbow

SN: 75042-UP

1шт.

10

07002-12434

O-ring

SN: 75042-UP

1шт.

11

02896-11018

O-ring

SN: 75042-UP

1шт.

12

09659-A057B

Plate, Warning, Explosion Hazard

SN: 75042-UP

1шт.

13

418-S99-4260

Hose

SN: 75042-UP

1шт.

14

07371-31049

Flange, Split

SN: 75042-UP

4шт.

15

07000-13032

O-ring

SN: 75042-UP

3шт.

16

07372-51055

Bolt

SN: 77462-UP

4шт.

16

07372-31055

Bolt

SN: 75042-77461

4шт.

17

07372-21035

Bolt

SN: 75042-UP

4шт.

18

01643-51032

Washer

SN: 75042-UP

4шт.

19

01643-51032

Washer

SN: 75042-UP

4шт.

20

07373-21000

Spacer

SN: 75042-UP

1шт.

21

418-S99-4340

Hose

SN: 75042-UP

1шт.

22

02777-00406

Hose, Face Seal Type

SN: 76072-UP

1шт.

22

02754-00406

Hose, Face Seal Type

SN: 75106-76072

1шт.

22

02754-00405

Hose, Face Seal Type

SN: 75042-75105

1шт.

23

02753-00604

Hose, Face Seal Type

SN: 75042-UP

1шт.

24

418-S99-3171

Hose

SN: 75042-UP

1шт.

25

418-62-43120

Tube

SN: UP

-1шт.

Выбрано товаров: 28