Запчасти Komatsu WA250-6 ЗАДН. РАМА, (№78-7) ЗАДН. РАМА, С ДОПОЛН. ТОПЛИВН. ФИЛЬТР., С ЭКСТРЕНН. УПРАВЛ., ИЛИ С ДОПОЛН. ТОПЛИВН. ФИЛЬТР., С POWERTRAIN ЧАСТИ КОРПУСА, ИЛИ С

Схема запчастей Komatsu WA250-6 - ЗАДН. РАМА, (№78-7) ЗАДН. РАМА, С ДОПОЛН. ТОПЛИВН. ФИЛЬТР., С ЭКСТРЕНН. УПРАВЛ., ИЛИ С ДОПОЛН. ТОПЛИВН. ФИЛЬТР., С POWERTRAIN ЧАСТИ КОРПУСА, ИЛИ С
3
4
2
1
FIT
1:1
100%

Артикул

Название

Примечание

Количество

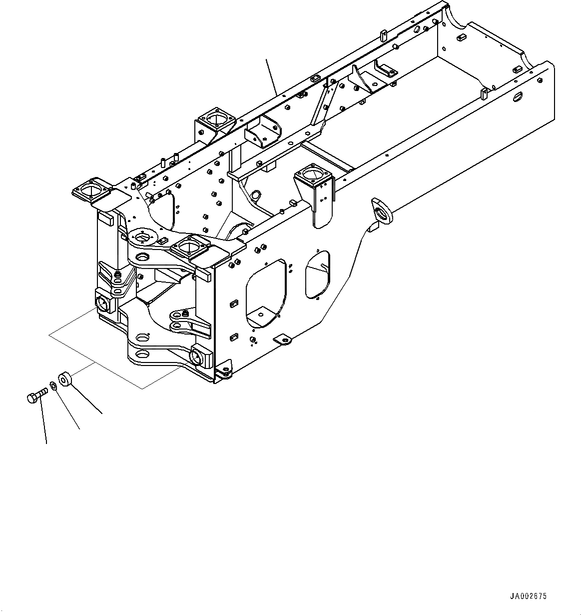
1

418-Z13-4410

Frame,Rear

SN: 75384-76044

1шт.

2

416-46-11210

Bumper

SN: 75384-@

2шт.

3

01010-81225

Bolt

SN: 75384-@

2шт.

4

01643-31232

Washer

SN: 75384-@

2шт.

Выбрано товаров: 4