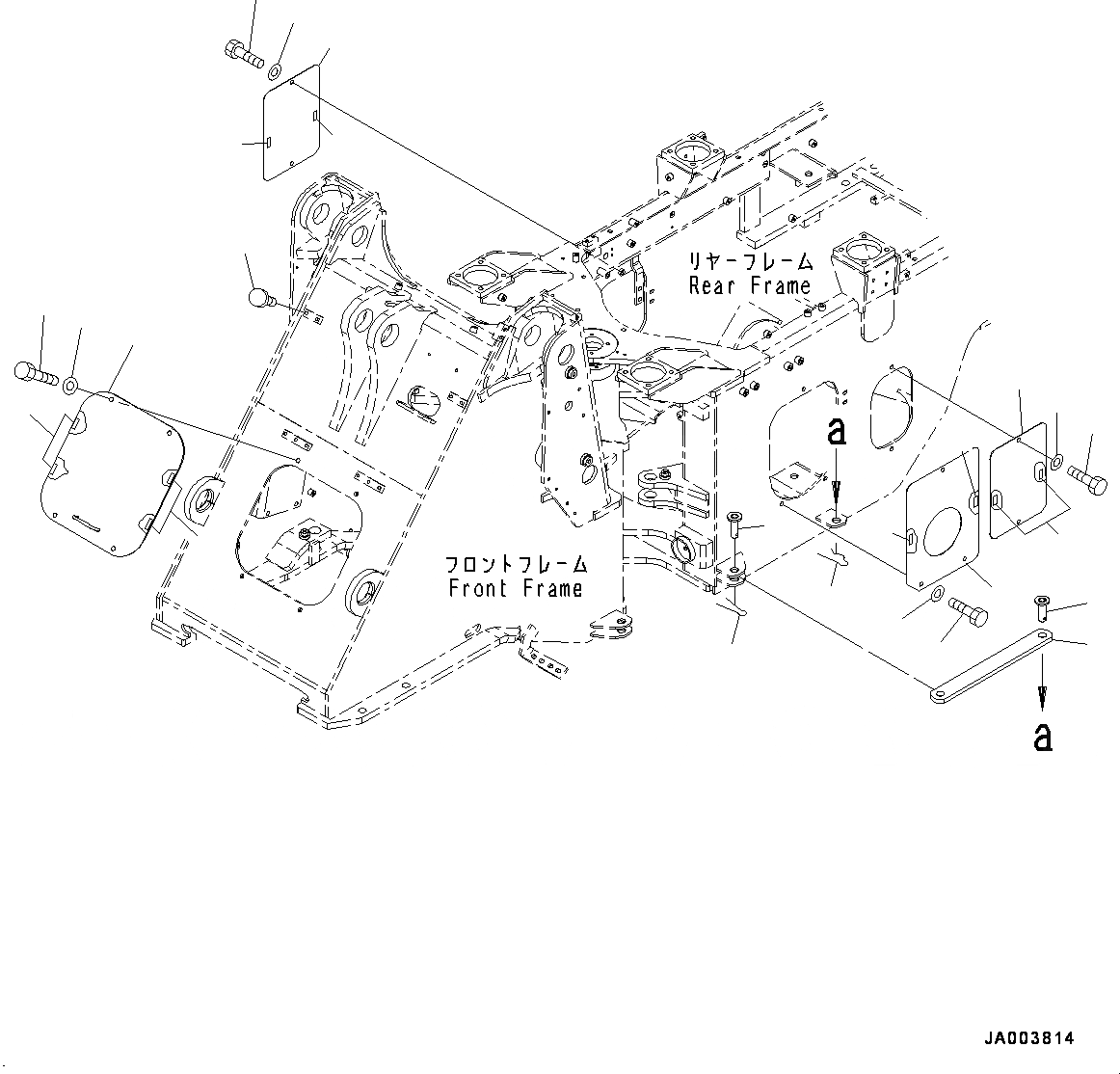
Запчасти Komatsu WA250-6 СОЧЛ. СОЕД. БЛОКИР. BAR И РАМА КРЫШКА(№7-) СОЧЛ. СОЕД. БЛОКИР. BAR И РАМА COVER, С 2-Х СЕКЦИОНН. УПРАВЛЯЮЩ. КЛАПАН

Схема запчастей Komatsu WA250-6 - СОЧЛ. СОЕД. БЛОКИР. BAR И РАМА КРЫШКА(№7-) СОЧЛ. СОЕД. БЛОКИР. BAR И РАМА COVER, С 2-Х СЕКЦИОНН. УПРАВЛЯЮЩ. КЛАПАН
11
14
11
10
11
3
2
1
2
4
9
13
12
12
13
10
13
12
5
8
11
7
11
6
6
FIT
1:1
100%

Артикул

Название

Примечание

Количество

1

417-46-24110

Bar

SN: 75041-UP

1шт.

2

416-46-12230

Pin

SN: 75041-UP

2шт.

3

04050-18055

Pin, Cotter

SN: 75041-UP

1шт.

4

415-46-11360

Pin, Snap

SN: 75041-UP

1шт.

5

417-46-11311

Cover

SN: 75644-UP

1шт.

5

417-46-11310

Cover

SN: 75041-75643

1шт.

6

421-09-21420

Sheet

SN: 75693-UP

4шт.

7

01010-81225

Bolt

SN: 75041-UP

4шт.

8

01643-31232

Washer

SN: 75041-UP

4шт.

9

418-46-34413

Cover

SN: 75644-UP

1шт.

9

418-46-34412

Cover

SN: 75041-75643

1шт.

10

418-46-34421

Cover

SN: 75644-UP

2шт.

10

418-46-34420

Cover

SN: 75041-75643

2шт.

11

421-09-21420

Sheet

SN: 75041-UP

6шт.

12

01010-81225

Bolt

SN: 75041-UP

7шт.

13

01643-31232

Washer

SN: 75041-UP

7шт.

14

416-54-34230

Plug

SN: 75041-UP

10шт.

Выбрано товаров: 17