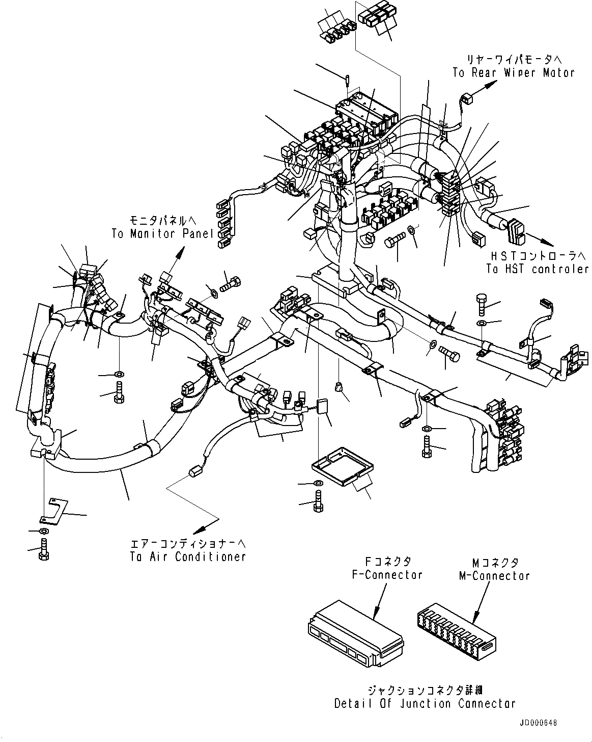
/ / / / / / / КАБИНА ROPS И ОСНОВН. КОНСТРУКЦИЯ ГРУППА, ПОЛ, ПРОВОДКА (/) (№7-)
Запчасти Komatsu WA250-6 КАБИНА ROPS И ОСНОВН. КОНСТРУКЦИЯ ГРУППА, ПОЛ, ПРОВОДКА (/) (№7-) КАБИНА ROPS И ОСНОВН. КОНСТРУКЦИЯ ГРУППА, С VOLT POWER ВЫПУСКН. 38
36
23
18
1
37
35
34
33
20
30
29
20
18
22
4
5
2
3
13
16
11
27
17
21
42
43
34
33
27
30
29
39
41
14
20
18
25
15
13
18
24
26
29
30
28
26
40
11
18
7
19
9
6
31
32
11
11
18
10
13
11
15
14
16
13
12
19
8
1
418-06-42111
Wiring Harness
SN: 75590-UP
1шт.
1
418-06-42110
Wiring Harness
SN: 75234-75589
1шт.
2
20Y-62-22790
Band, Red
SN: 75234-UP
1шт.
3
20Y-62-22820
Band, Blue
SN: 75234-UP
1шт.
4
20Y-62-22830
Band, White
SN: 75234-UP
1шт.
5
20Y-62-22850
Band, Green
SN: 75234-UP
1шт.
6
21J-06-13661
Diode
SN: 75234-UP
4шт.
7
283-06-16110
Box, Fuse
SN: 75234-UP
2шт.
8
283-06-16160
Terminal
SN: 75234-UP
60шт.
9
8233-06-3350
Diode
SN: 75234-UP
3шт.
10
HM6440-0136
F-Connector, Purple
SN: 75234-UP
1шт.
10
HM6440-0135
M-Connector, Purple
SN: 75234-UP
1шт.
11
HM6400-0016
F-Connector, Orange
SN: 75234-UP
5шт.
11
HM6409-0075
M-Connector, Orange
SN: 75234-UP
5шт.
12
HM6400-0014
F-Connector, Blue
SN: 75234-UP
1шт.
12
HM6409-0073
M-Connector, Blue
SN: 75234-UP
1шт.
13
HM6440-0129
F-Connector, Pink
SN: 75234-UP
4шт.
13
HM6440-0128
M-Connector, Pink
SN: 75234-UP
4шт.
14
HM6400-0012
F-Connector, Black
SN: 75234-UP
2шт.
14
HM6409-0071
M-Connector, Black
SN: 75234-UP
2шт.
15
HM6400-0013
F-Connector, Green
SN: 75234-UP
2шт.
15
HM6409-0072
M-Connector, Green
SN: 75234-UP
2шт.
16
HM6400-0081
F-Connector, Gray
SN: 75234-UP
2шт.
16
HM6409-0255
M-Connector, Gray
SN: 75234-UP
2шт.
17
419-09-11150
Clip
SN: 75234-UP
1шт.
18
23S-61-24870
Clip
SN: 75234-UP
7шт.
19
142-06-13540
Clip
SN: 75234-UP
2шт.
20
04434-53412
Clip
SN: 75234-UP
6шт.
21
23S-62-25850
Clip
SN: 75234-UP
1шт.
22
04434-52712
Clip
SN: 75234-UP
1шт.
23
195-06-41840
Clip
SN: 75234-UP
2шт.
24
04434-51912
Clip
SN: 75234-UP
1шт.
25
04434-52312
Clip
SN: 75234-UP
2шт.
26
04434-51712
Clip
SN: 75234-UP
3шт.
27
04434-51412
Clip
SN: 75234-UP
2шт.
28
04434-51012
Clip
SN: 75234-UP
1шт.
29
01010-81016
Bolt
SN: 75234-UP
20шт.
30
01643-31032
Washer
SN: 75234-UP
20шт.
31
01010-81020
Bolt
SN: 75234-UP
2шт.
32
01643-31032
Washer
SN: 75234-UP
2шт.
33
01010-81025
Bolt
SN: 75234-UP
2шт.
34
01643-31032
Washer
SN: 75234-UP
2шт.
35
417-06-22410
Plate
SN: 75234-UP
1шт.
36
418-06-42450
Sheet
SN: 75234-UP
1шт.
37
01010-80616
Bolt
SN: 75234-UP
2шт.
38
01643-30623
Washer
SN: 75234-UP
2шт.
39
418-06-31610
Plate
SN: 75234-UP
2шт.
40
418-06-41640
Sheet
SN: 75234-UP
1шт.
41
07049-01012
Plug
SN: 75234-UP
1шт.
42
01010-80616
Bolt
SN: 75234-UP
4шт.
43
01643-30623
Washer
SN: 75234-UP
4шт.
Выбрано товаров: 0
Добавить в заказ