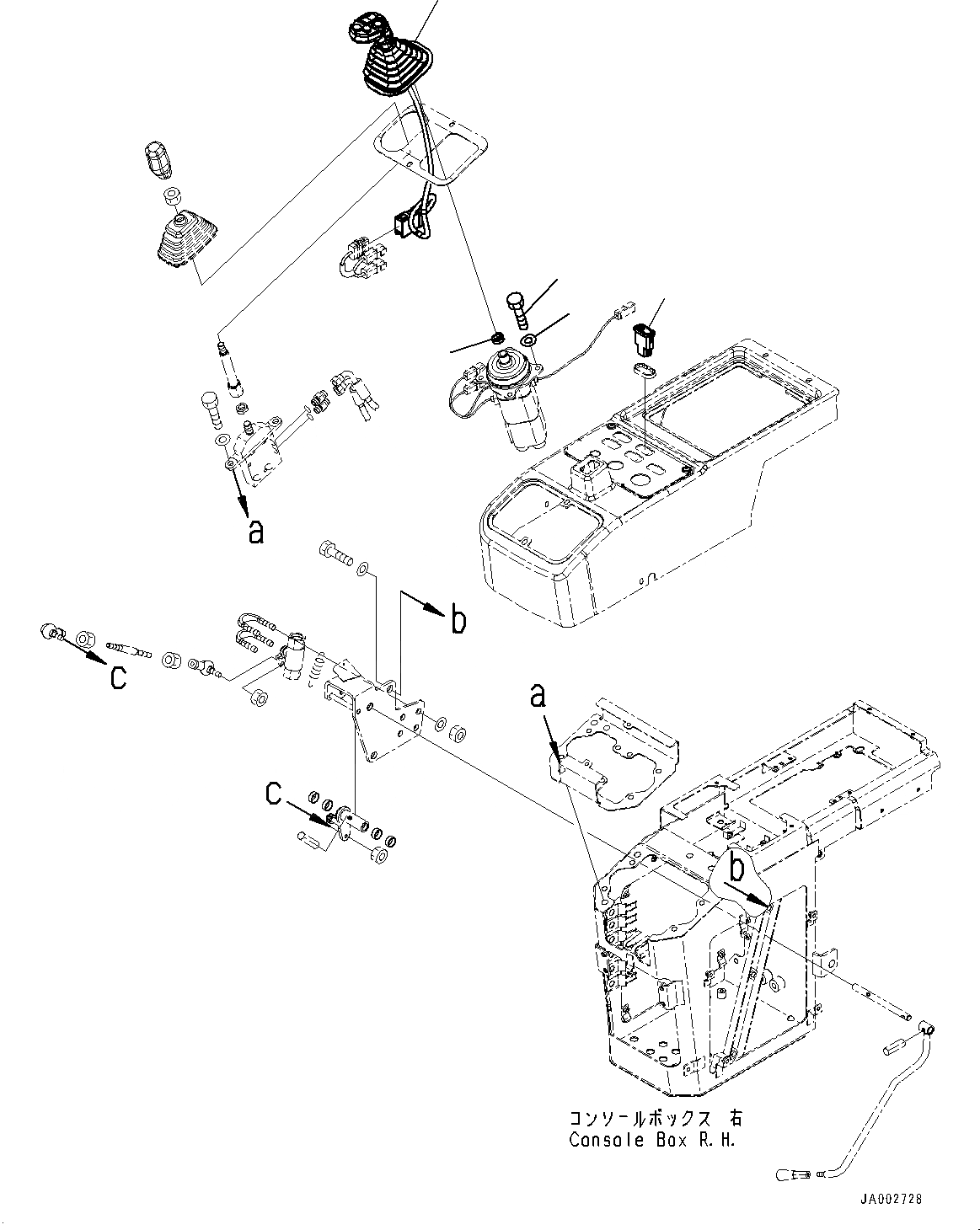
Запчасти Komatsu WA250-6 УПРАВЛЕНИЕ ПОГРУЗКОЙ БЛОК, РЫЧАГ (/) (№7-) УПРАВЛЕНИЕ ПОГРУЗКОЙ БЛОК, С MULTI-FUNCTION MONO РЫЧАГ И -РЫЧАГ УПРАВЛ. НАВЕСН. ОБОРУД., СИСТЕМА ROPS

Схема запчастей Komatsu WA250-6 - УПРАВЛЕНИЕ ПОГРУЗКОЙ БЛОК, РЫЧАГ (/) (№7-) УПРАВЛЕНИЕ ПОГРУЗКОЙ БЛОК, С MULTI-FUNCTION MONO РЫЧАГ И -РЫЧАГ УПРАВЛ. НАВЕСН. ОБОРУД., СИСТЕМА ROPS
3
5
4
2
1
FIT
1:1
100%

Артикул

Название

Примечание

Количество

1

418-43-38166

Knob Assembly

SN: 77323-UP

1шт.

1

418-43-38165

Knob Assembly

SN: 75658-77322

1шт.

1

418-43-38164

Knob Assembly

SN: 75922-77238

1шт.

1

418-43-38163

Knob Assembly

SN: 75658-75921

1шт.

1

418-43-38162

Knob Assembly

SN: 75001-75657

1шт.

2

423-06-45480

Switch, FNR Selector

SN: 75001-UP

1шт.

3

01010-80820

Bolt

SN: 75001-UP

4шт.

4

01643-30823

Washer

SN: 75001-UP

4шт.

5

01582-11411

Nut

SN: 75001-UP

1шт.

Выбрано товаров: 9