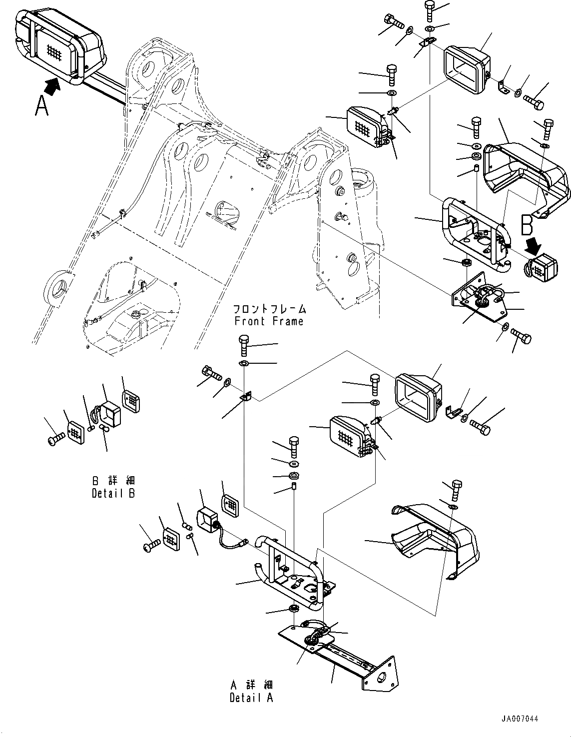
Запчасти Komatsu WA250-6 ГОЛОВНОЕ ОСВЕЩЕНИЕ (№77-) ГОЛОВНОЕ ОСВЕЩЕНИЕ

Схема запчастей Komatsu WA250-6 - ГОЛОВНОЕ ОСВЕЩЕНИЕ (№77-) ГОЛОВНОЕ ОСВЕЩЕНИЕ
2
3
12
14
20
24
27
30
17
13
18
25
26
16
28
29
23
15
5
4
22
21
19
68
67
1
31
33
32
60
39
40
41
42
43
44
47
45
53
63
46
52
54
55
56
48
51
50
58
59
49
57
62
61
36
35
34
65
64
66
37
38
11
9
10
8
7
6
FIT
1:1
100%

Артикул

Название

Примечание

Количество

1

424-06-43211

Lamp,L.H.

SN: 76227-UP

1шт.

2

424-06-23220

Lens, Clear

SN: 76227-UP

1шт.

3

424-06-23230

Bulb, 75/70watt

SN: 76227-UP

1шт.

4

01010-80825

Bolt

SN: 76227-UP

2шт.

5

01601-20825

Washer, Spring

SN: 76227-UP

2шт.

6

424-06-43221

Lamp

SN: 76227-UP

1шт.

7

41G-06-13210

Lens, Orange,Front

SN: 76227-UP

1шт.

8

41G-06-13220

Lens, Orange,Rear

SN: 76227-UP

1шт.

9

41G-06-13230

Bulb, 5watt

SN: 76227-UP

1шт.

10

08105-12420

Bulb, 25watt

SN: 76227-UP

1шт.

11

01220-40425

Screw

SN: 76227-UP

4шт.

12

418-06-43120

Wiring Harness

SN: 76227-UP

1шт.

13

418-06-43511

Support

SN: 76227-UP

1шт.

14

418-06-43130

Bracket

SN: 76227-UP

1шт.

15

421-06-23552

Plate,L.H.

SN: 76227-UP

1шт.

16

421-06-23630

Plate,L.H.

SN: 76227-UP

1шт.

17

01010-81025

Bolt

SN: 76227-UP

2шт.

18

01643-31032

Washer

SN: 76227-UP

2шт.

19

417-54-13470

Spacer

SN: 76227-UP

3шт.

20

419-43-17930

Cushion

SN: 76227-UP

3шт.

21

415-64-13130

Cushion

SN: 76227-UP

3шт.

22

419-43-17920

Washer

SN: 76227-UP

3шт.

23

01010-81245

Bolt

SN: 76227-UP

3шт.

24

08037-03614

Grommet

SN: 76227-UP

1шт.

25

01010-80825

Bolt

SN: 76227-UP

2шт.

26

01602-20825

Washer

SN: 76227-UP

2шт.

27

421-06-23611

Cover,L.H.

SN: 76227-UP

1шт.

28

01010-80616

Bolt

SN: 76227-UP

5шт.

29

01643-30623

Washer

SN: 76227-UP

5шт.

30

04434-51010

Clip

SN: 76227-UP

1шт.

31

04434-50610

Clip

SN: 76227-UP

1шт.

32

01010-80820

Bolt

SN: 76227-UP

1шт.

33

01643-30823

Washer

SN: 76227-UP

1шт.

34

424-06-43211

Lamp,R.H.

SN: 76227-UP

1шт.

35

424-06-23220

Lens, Clear

SN: 76227-UP

1шт.

36

424-06-23230

Bulb, 75/70watt

SN: 76227-UP

1шт.

37

01010-80825

Bolt

SN: 76227-UP

2шт.

38

01601-20825

Washer, Spring

SN: 76227-UP

2шт.

39

424-06-43221

Lamp,R.H.

SN: 76227-UP

1шт.

40

41G-06-13210

Lens, Orange,Front

SN: 76227-UP

1шт.

41

41G-06-13220

Lens, Orange,Rear

SN: 76227-UP

1шт.

42

41G-06-13230

Bulb, 5watt

SN: 76227-UP

1шт.

43

08105-12420

Bulb, 25watt

SN: 76227-UP

1шт.

44

01220-40425

Screw

SN: 76227-UP

4шт.

45

418-06-43120

Wiring Harness

SN: 76227-UP

1шт.

46

418-06-43521

Support,R.H.

SN: 76227-UP

1шт.

47

418-06-43140

Bracket,R.H.

SN: 76227-UP

1шт.

48

421-06-23552

Plate

SN: 76227-UP

1шт.

49

421-06-23640

Plate

SN: 76227-UP

1шт.

50

01010-81025

Bolt

SN: 76227-UP

2шт.

51

01643-31032

Washer

SN: 76227-UP

2шт.

52

417-54-13470

Spacer

SN: 76227-UP

3шт.

53

419-43-17930

Cushion

SN: 76227-UP

3шт.

54

415-64-13130

Cushion

SN: 76227-UP

3шт.

55

419-43-17920

Washer

SN: 76227-UP

3шт.

56

01010-81245

Bolt

SN: 76227-UP

3шт.

57

08037-03614

Grommet

SN: 76227-UP

1шт.

58

01010-80825

Bolt

SN: 76227-UP

2шт.

59

01602-20825

Washer

SN: 76227-UP

2шт.

60

421-06-23621

Cover,R.H.

SN: 76227-UP

1шт.

61

01010-80616

Bolt

SN: 76227-UP

5шт.

62

01643-30623

Washer

SN: 76227-UP

5шт.

63

04434-51010

Clip

SN: 76227-UP

1шт.

64

04434-50610

Clip

SN: 76227-UP

1шт.

65

01010-80820

Bolt

SN: 76227-UP

1шт.

66

01643-30823

Washer

SN: 76227-UP

1шт.

67

01010-81025

Bolt

SN: 76227-UP

6шт.

68

01643-31032

Washer

SN: 76227-UP

6шт.

Выбрано товаров: 0