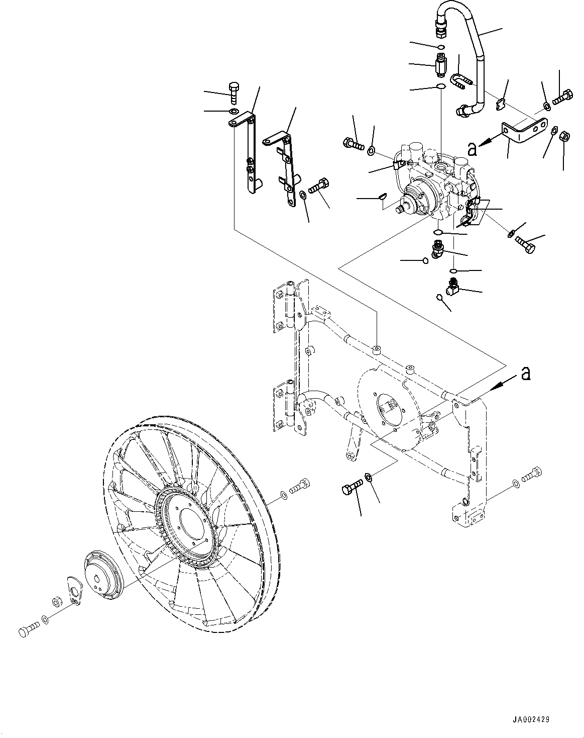
Запчасти Komatsu WA250-6 РАДИАТОР, ВЕНТИЛЯТОР КОМПОНЕНТЫ (№7-) РАДИАТОР, БЕЗ КОНДИЦ. ВОЗДУХА

Схема запчастей Komatsu WA250-6 - РАДИАТОР, ВЕНТИЛЯТОР КОМПОНЕНТЫ (№7-) РАДИАТОР, БЕЗ КОНДИЦ. ВОЗДУХА
3
2
12
10
19
21
20
25
24
1
4
5
6
7
8
9
11
13
14
15
16
17
18
19
20
21
22
23
26
27
28
29
FIT
1:1
100%

Артикул

Название

Примечание

Количество

1

04010-00519

Key, Woodruff

SN: 75053-UP

1шт.

2

01010-81035

Bolt

SN: 75053-UP

4шт.

3

01643-31032

Washer

SN: 75053-UP

4шт.

4

427-43-28660

Union

SN: 75053-UP

1шт.

5

07002-12034

O-ring

SN: 75053-UP

1шт.

6

02896-11012

O-ring

SN: 75053-UP

2шт.

7

02783-10422

Elbow

SN: 75053-UP

1шт.

8

07002-12034

O-ring

SN: 75053-UP

1шт.

9

02896-11012

O-ring

SN: 75053-UP

1шт.

10

22J-62-25121

Elbow

SN: 75053-UP

1шт.

11

07002-11423

O-ring

SN: 75053-UP

1шт.

12

02896-11009

O-ring

SN: 75053-UP

1шт.

13

418-03-43830

Tube

SN: 75053-UP

1шт.

14

418-03-43840

Plate

SN: 75053-UP

1шт.

15

07283-32244

Clip

SN: 75053-UP

1шт.

16

07283-52232

Seat

SN: 75053-UP

1шт.

17

01643-31032

Washer

SN: 75053-UP

2шт.

18

01597-01009

Nut

SN: 75053-UP

2шт.

19

04434-50610

Clip

SN: 75053-UP

6шт.

20

01010-81020

Bolt

SN: 75053-UP

5шт.

21

01643-31032

Washer

SN: 75053-UP

5шт.

22

01010-81025

Bolt

SN: 75053-UP

2шт.

23

01643-31032

Washer

SN: 75053-UP

2шт.

24

01010-81020

Bolt

SN: 75053-UP

1шт.

25

01643-31032

Washer

SN: 75053-UP

1шт.

26

418-03-43850

Bracket

SN: 75053-UP

1шт.

27

418-03-43860

Bracket

SN: 75053-UP

1шт.

28

01010-81020

Bolt

SN: 75053-UP

2шт.

29

01643-31032

Washer

SN: 75053-UP

2шт.

Выбрано товаров: 29