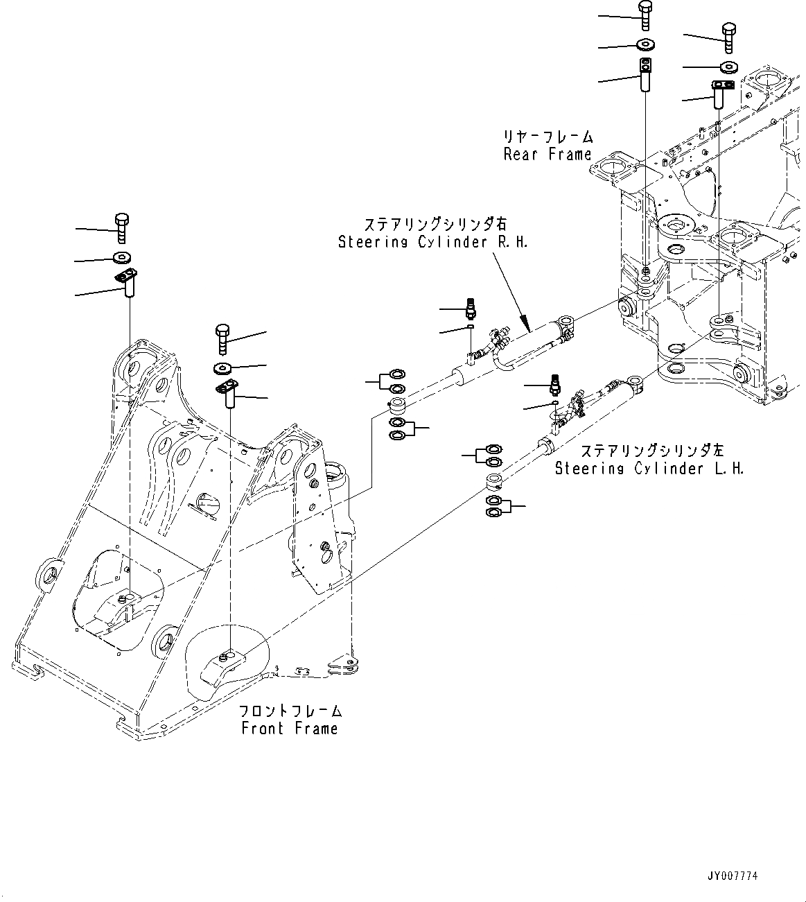
Запчасти Komatsu WA250-6 ЦИЛИНДР РУЛЕВ. УПР-Я, КРЕПЛЕНИЕ (№7-) ЦИЛИНДР РУЛЕВ. УПР-Я

Схема запчастей Komatsu WA250-6 - ЦИЛИНДР РУЛЕВ. УПР-Я, КРЕПЛЕНИЕ (№7-) ЦИЛИНДР РУЛЕВ. УПР-Я
1
2
3
4
5
6
2
2
2
4
3
1
6
5
4
3
1
4
3
1
FIT
1:1
100%

Артикул

Название

Примечание

Количество

1

418-46-42260

Pin

SN: 75053-UP

4шт.

2

419-46-12280

Shim, T=1.0mm

SN: 75053-UP

18шт.

2

419-46-12290

Shim, T=0.5mm

SN: 75053-UP

10шт.

3

01010-81220

Bolt

SN: 75053-UP

4шт.

4

175-54-34170

Washer

SN: 75053-UP

4шт.

5

799-101-5220

Nipple

SN: 75053-UP

1шт.

6

07002-11023

O-ring

SN: 75053-UP

1шт.

Выбрано товаров: 0