Запчасти Komatsu WA250-6 СОЧЛ. СОЕД. БЛОКИР. BAR И РАМА КРЫШКА(№7-) СОЧЛ. СОЕД. БЛОКИР. BAR И РАМА COVER, С 3-Х СЕКЦ. КОНТР. КЛАПАНОМ, СИЛОВАЯ ПЕРЕДАЧА ЧАСТИ КОРПУСА

Схема запчастей Komatsu WA250-6 - СОЧЛ. СОЕД. БЛОКИР. BAR И РАМА КРЫШКА(№7-) СОЧЛ. СОЕД. БЛОКИР. BAR И РАМА COVER, С 3-Х СЕКЦ. КОНТР. КЛАПАНОМ, СИЛОВАЯ ПЕРЕДАЧА ЧАСТИ КОРПУСА
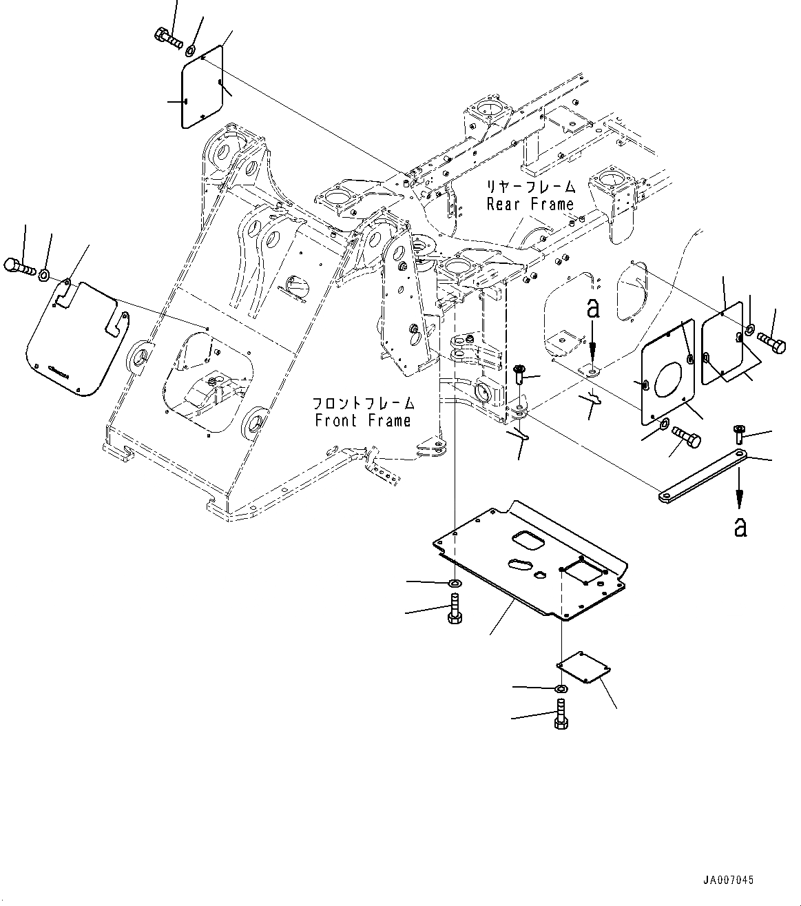
10
10
9
10
3
2
1
2
4
8
12
11
11
12
9
12
11
5
7
10
6
10
16
17
15
14
18
13
FIT
1:1
100%

Артикул

Название

Примечание

Количество

1

417-46-24110

Bar

SN: 75053-UP

1шт.

2

416-46-12230

Pin

SN: 75053-UP

2шт.

3

04050-18055

Pin, Cotter

SN: 75053-UP

1шт.

4

415-46-11360

Pin, Snap

SN: 75053-UP

1шт.

5

418-877-3350

Cover

SN: 75053-UP

1шт.

6

01010-81225

Bolt

SN: 75053-UP

4шт.

7

01643-31232

Washer

SN: 75053-UP

4шт.

8

418-46-34413

Cover

SN: 75053-UP

1шт.

9

418-46-34421

Cover

SN: 75053-UP

2шт.

10

421-09-21420

Sheet

SN: 75053-UP

6шт.

11

01010-81225

Bolt

SN: 75053-UP

7шт.

12

01643-31232

Washer

SN: 75053-UP

7шт.

13

418-971-3110

Guard

SN: 75053-UP

1шт.

14

01010-81230

Bolt

SN: 75053-UP

8шт.

15

01643-31232

Washer

SN: 75053-UP

8шт.

16

418-971-3120

Plate

SN: 75053-UP

1шт.

17

01010-81025

Bolt

SN: 75053-UP

4шт.

18

01643-31032

Washer

SN: 75053-UP

4шт.

Выбрано товаров: 0