Запчасти Komatsu WA250-6 H-A ГИДРАВЛ BROOM (/) ГИДРАВЛИКА

Схема запчастей Komatsu WA250-6 - H-A ГИДРАВЛ BROOM (/) ГИДРАВЛИКА
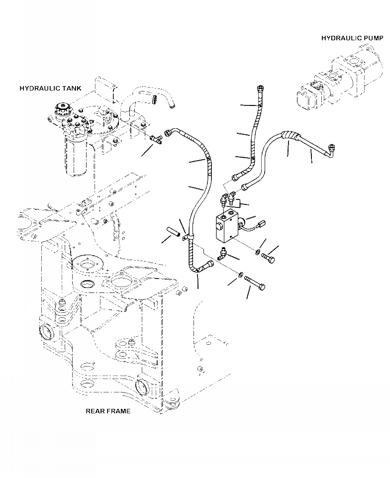
10
8
10
12
6
10
9
7
4
11
1
3
2
13
5
14
10
15
FIT
1:1
100%

Артикул

Название

Примечание

Количество

1

418-62-A1630

VALVE, DIVERTER

SN: A76001--UP

1шт.

2

01010-81080

BOLT

SN: A76001--UP

2шт.

3

01643-31032

WASHER

SN: A76001--UP

2шт.

4

418-62-A2230

UNION

SN: A76001--UP

2шт.

5

418-62-A1170

ELBOW

SN: A76001--UP

1шт.

6

419-U45-1220

PROTECTOR

SN: A76001--UP

1шт.

7

418-62-A2220

HOSE

SN: A76001--UP

1шт.

8

418-62-A2240

HOSE

SN: A76001--UP

1шт.

9

418-62-A2250

HOSE

SN: A76001--UP

1шт.

10

08210-02903

SPIRAL TUBE

SN: A76001--UP

4шт.

11

04434-52312

CLIP

SN: A76001--UP

1шт.

12

418-62-A1270

TEE

SN: A76001--UP

1шт.

13

6150-71-7130

COLLAR

SN: A76001--UP

1шт.

14

01643-31032

WASHER

SN: A76001--UP

1шт.

15

01011-E1005

BOLT

SN: A76001--UP

1шт.

Выбрано товаров: 15