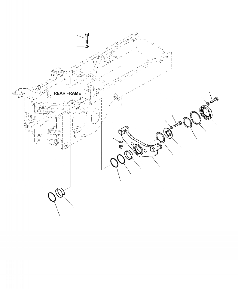
Запчасти Komatsu WA250-6 J-A ЗАДН. МОСТ СУППОРТ ОСНОВНАЯ РАМА И ЕЕ ЧАСТИ

Схема запчастей Komatsu WA250-6 - J-A ЗАДН. МОСТ СУППОРТ ОСНОВНАЯ РАМА И ЕЕ ЧАСТИ
14
15
3
4
6
7
2
10
15
11
16
5
11
1
8
9
13
12
13
FIT
1:1
100%

Артикул

Название

Примечание

Количество

1

418-46-37111

SUPPORT

SN: A76001--UP

1шт.

2

418-46-12131

COVER

SN: A76001--UP

1шт.

3

01010-81265

BOLT

SN: A76001--UP

8шт.

4

01643-31232

WASHER

SN: A76001--UP

8шт.

5

418-46-12141

PLATE, THRUST

SN: A76001--UP

1шт.

6

01010-81250

BOLT

SN: A76001--UP

8шт.

7

01643-31232

WASHER

SN: A76001--UP

8шт.

8

418-46-37130

BUSHING

SN: A76001--UP

1шт.

9

421-46-15132

PACKING

SN: A76001--UP

1шт.

10

418-46-12160

SHIM, 0.2 MM

SN: A76001--UP

3шт.

11

418-46-17120

WASHER

SN: A76001--UP

2шт.

12

418-46-37120

BUSHING

SN: A76001--UP

1шт.

13

421-46-15132

PACKING

SN: A76001--UP

2шт.

14

01011-62440

BOLT

SN: A76001--UP

4шт.

15

01643-32460

WASHER

SN: A76001--UP

8шт.

16

01580-12419

NUT

SN: A76001--UP

4шт.

Выбрано товаров: 16