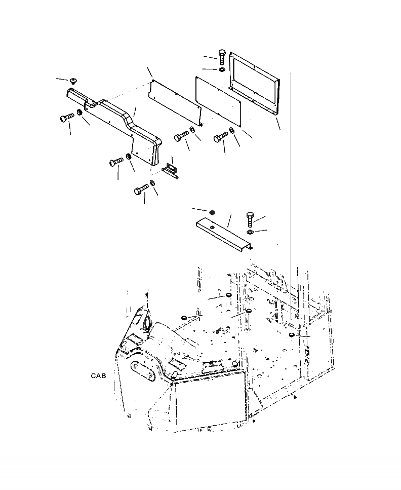
Запчасти Komatsu WA250-6 K-9A КАБИНА ROPS ЗАДН. КРЫШКА И КРЫШКА (ПОЛ) OPERATORXD S ОБСТАНОВКА И СИСТЕМА УПРАВЛЕНИЯ

Схема запчастей Komatsu WA250-6 - K-9A КАБИНА ROPS ЗАДН. КРЫШКА И КРЫШКА (ПОЛ) OPERATORXD S ОБСТАНОВКА И СИСТЕМА УПРАВЛЕНИЯ
2
12
3
11
8
10
1
9
15
14
18
17
13
16
10
9
20
7
4
19
5
6
21
21
21
21
FIT
1:1
100%

Артикул

Название

Примечание

Количество

1

418-54-42160

COVER

SN: A76001--UP

1шт.

2

01010-80616

BOLT

SN: A76001--UP

4шт.

3

01643-70623

WASHER

SN: A76001--UP

4шт.

4

418-54-42210

COVER

SN: A76001--UP

1шт.

5

01010-80616

BOLT

SN: A76001--UP

3шт.

6

01643-70623

WASHER

SN: A76001--UP

3шт.

7

08037-02512

GROMMET

SN: A76001--UP

1шт.

8

418-54-32725

COVER

SN: A76001--UP

1шт.

9

01225-70616

SCREW

SN: A76001--UP

5шт.

10

418-926-3490

WASHER

SN: A76001--UP

5шт.

11

23D-950-4450

BUTTON

SN: A76001--UP

4шт.

12

418-54-42190

COVER

SN: A76001--UP

1шт.

13

01010-80616

BOLT

SN: A76001--UP

2шт.

14

01643-70623

WASHER

SN: A76001--UP

2шт.

15

418-54-42220

PLATE

SN: A76001--UP

1шт.

16

01010-80616

BOLT

SN: A76001--UP

6шт.

17

01643-70623

WASHER

SN: A76001--UP

6шт.

18

418-54-42230

BRACKET

SN: A76001--UP

1шт.

19

01010-81020

BOLT

SN: A76001--UP

2шт.

20

01643-31032

WASHER

SN: A76001--UP

2шт.

21

09415-02512

CAP

SN: A76001--UP

6шт.

Выбрано товаров: 21