Запчасти Komatsu WA250-6 K-7A УПРАВЛЕНИЕ ПОГРУЗКОЙ ПОЛ Э/ПРОВОДКА OPERATORXD S ОБСТАНОВКА И СИСТЕМА УПРАВЛЕНИЯ

Схема запчастей Komatsu WA250-6 - K-7A УПРАВЛЕНИЕ ПОГРУЗКОЙ ПОЛ Э/ПРОВОДКА OPERATORXD S ОБСТАНОВКА И СИСТЕМА УПРАВЛЕНИЯ
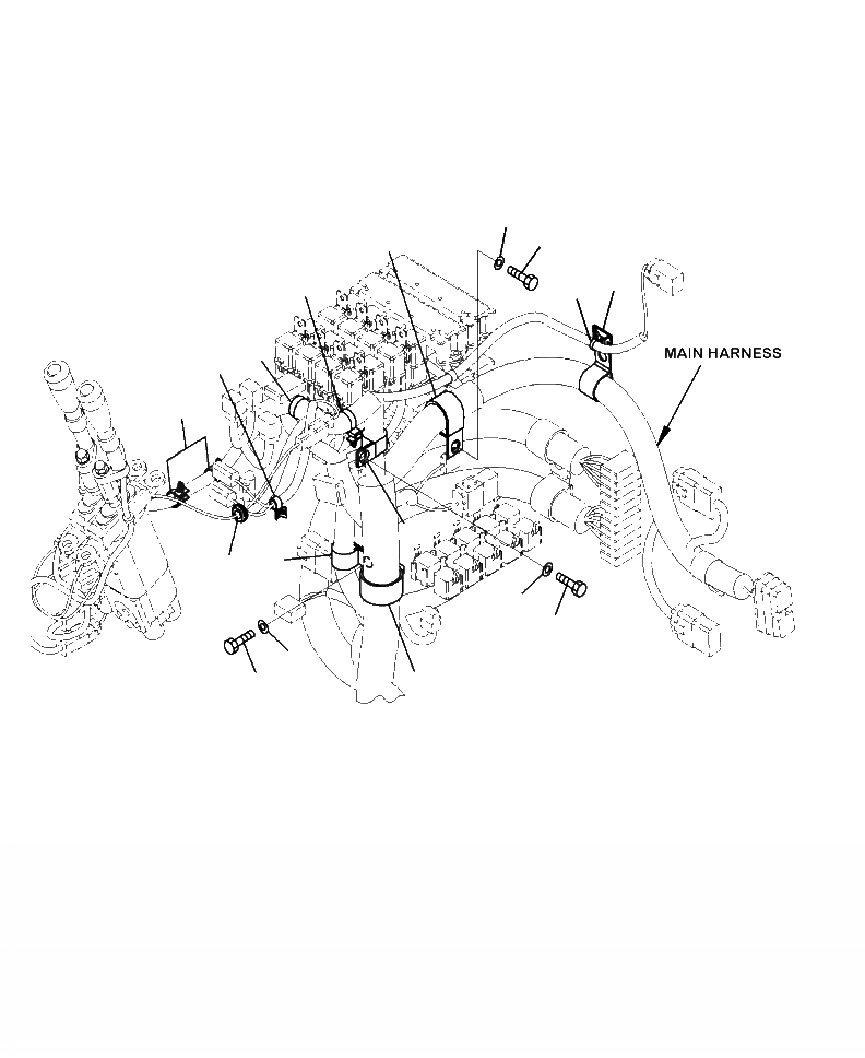
5
4
2
10
8
11
8
8
8
3
3
9
5
4
7
6
1
FIT
1:1
100%

Артикул

Название

Примечание

Количество

1

419-09-11150

CLIP

SN: A76001--UP

1шт.

2

04434-53412

CLIP

SN: A76001--UP

1шт.

3

04434-52312

CLIP

SN: A76001--UP

2шт.

4

01010-81016

BOLT

SN: A76001--UP

2шт.

5

01643-31032

WASHER

SN: A76001--UP

2шт.

6

01010-81020

BOLT

SN: A76001--UP

1шт.

7

01643-31032

WASHER

SN: A76001--UP

1шт.

8

08059-00310

CLIP

SN: A76001--UP

6шт.

9

417-06-12560

GROMMET

SN: A76001--UP

1шт.

10

20U-54-46520

STICKER

SN: A76001--UP

1шт.

11

08034-40521

BAND

SN: A76001--UP

1шт.

Выбрано товаров: 11