Запчасти Komatsu WA250-6 K-8A УПРАВЛЕНИЕ ПОГРУЗКОЙ KOMTRAX КОНТРОЛЛЕР OPERATORXD S ОБСТАНОВКА И СИСТЕМА УПРАВЛЕНИЯ

Схема запчастей Komatsu WA250-6 - K-8A УПРАВЛЕНИЕ ПОГРУЗКОЙ KOMTRAX КОНТРОЛЛЕР OPERATORXD S ОБСТАНОВКА И СИСТЕМА УПРАВЛЕНИЯ
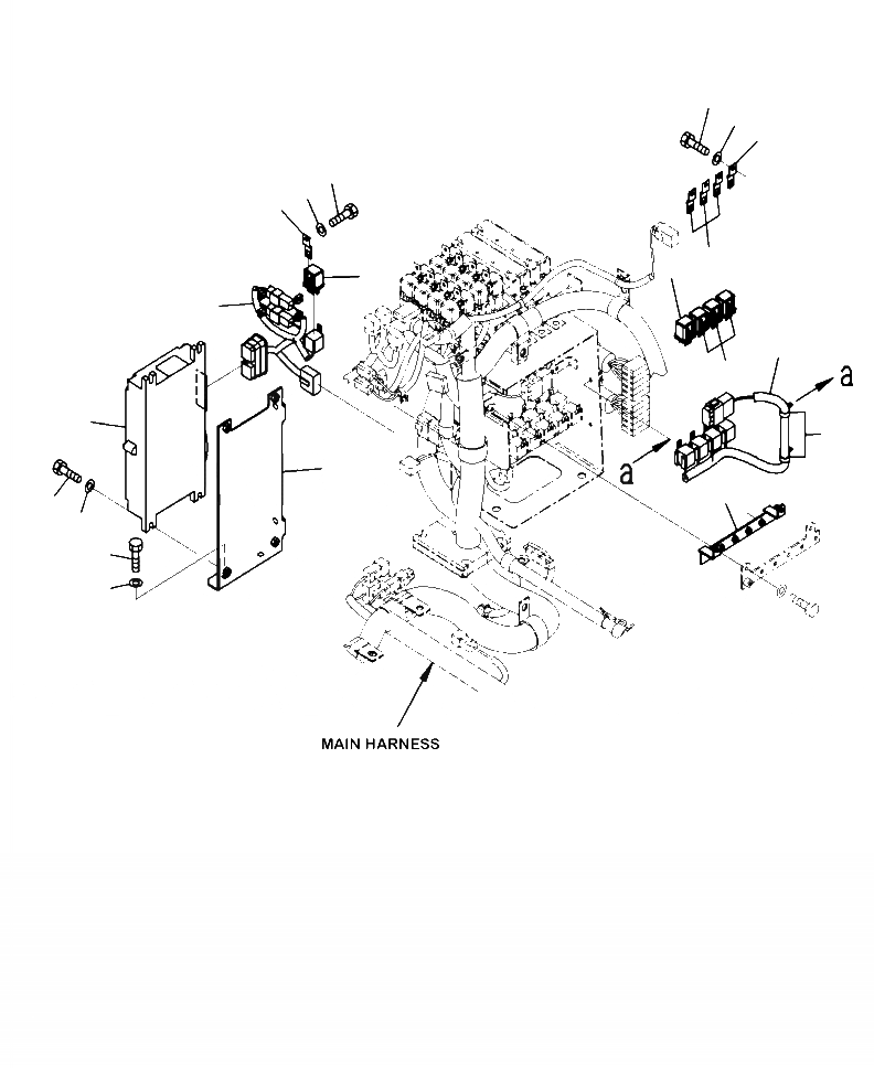
18
19
17
10
11
9
17
16
8
7
12
15
1
13
4
14
2
3
5
6
FIT
1:1
100%

Артикул

Название

Примечание

Количество

1

7826-20-7037

CONTROLLER

SN: A76001--UP

1шт.

2

01010-80825

BOLT

SN: A76001--UP

4шт.

3

01643-30823

WASHER

SN: A76001--UP

4шт.

4

419-54-42680

BRACKET

SN: A76001--UP

1шт.

5

01010-80816

BOLT

SN: A76001--UP

4шт.

6

01643-30823

WASHER

SN: A76001--UP

4шт.

7

418-06-41391

WIRING HARNESS

SN: A76001--UP

1шт.

8

569-06-61960

RELAY

SN: A76001--UP

1шт.

9

287-06-16420

BRACKET

SN: A76001--UP

1шт.

10

01010-80610

BOLT

SN: A76001--UP

1шт.

11

01643-30623

WASHER

SN: A76001--UP

1шт.

12

418-06-42130

WIRING HARNESS

SN: A76001--UP

1шт.

13

08059-00310

CLIP

SN: A76001--UP

2шт.

14

418-54-43110

BRACKET

SN: A76001--UP

1шт.

15

569-06-61960

RELAY

SN: A76001--UP

3шт.

16

569-06-61970

RELAY

SN: A76001--UP

1шт.

17

287-06-16420

BRACKET

SN: A76001--UP

4шт.

18

01010-80616

BOLT

SN: A76001--UP

4шт.

19

01643-30623

WASHER

SN: A76001--UP

4шт.

Выбрано товаров: 19