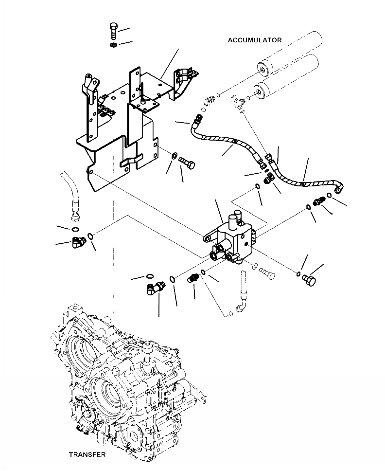
Запчасти Komatsu WA250-6 K-A УПРАВЛ-Е ТОРМОЗОМ ЗАГРУЗОЧН. КЛАПАН КРЕПЛЕНИЕ OPERATORXD S ОБСТАНОВКА И СИСТЕМА УПРАВЛЕНИЯ

Схема запчастей Komatsu WA250-6 - K-A УПРАВЛ-Е ТОРМОЗОМ ЗАГРУЗОЧН. КЛАПАН КРЕПЛЕНИЕ OPERATORXD S ОБСТАНОВКА И СИСТЕМА УПРАВЛЕНИЯ
18
19
17
13
15
16
14
4
19
18
1
2
3
4
2
8
3
5
12
7
11
8
10
9
7
6
FIT
1:1
100%

Артикул

Название

Примечание

Количество

1

VALVE ASSEMBLY (SEE FIG. K4460-51A0)

SN: A76001--UP

-1шт.

2

21W-62-43980

ELBOW

SN: A76001--UP

2шт.

3

07000-12011

O-RING

SN: A76001--UP

2шт.

4

02896-11008

O-RING

SN: A76001--UP

2шт.

5

418-62-35111

ELBOW

SN: A76001--UP

1шт.

6

418-62-35120

ELBOW

SN: A76001--UP

1шт.

7

07000-12018

O-RING

SN: A76001--UP

2шт.

8

02896-11012

O-RING

SN: A76001--UP

2шт.

9

56B-88-12320

ELBOW

SN: A76001--UP

1шт.

10

07000-12014

O-RING

SN: A76001--UP

1шт.

11

07040-11007

PLUG

SN: A76001--UP

1шт.

12

07002-11023

O-RING

SN: A76001--UP

1шт.

13

418-43-37251

HOSE, 450 MM

SN: A76001--UP

1шт.

14

08210-01202

SPIRAL TUBE

SN: A76001--UP

1шт.

15

418-43-37262

HOSE, 420 MM

SN: A76001--UP

1шт.

16

08210-01202

SPIRAL TUBE

SN: A76001--UP

1шт.

17

418-43-47220

BRACKET

SN: A76001--UP

1шт.

18

01010-81225

BOLT

SN: A76001--UP

6шт.

19

01643-31232

WASHER

SN: A76001--UP

6шт.

Выбрано товаров: 19