Запчасти Komatsu WA250-6 C-8A КРЕПЛЕНИЕ РАДИАТОРА ЧАСТИ - ШИР. СЕРДЦЕВИНА (LATCH ТИП) СИСТЕМА ОХЛАЖДЕНИЯ

Схема запчастей Komatsu WA250-6 - C-8A КРЕПЛЕНИЕ РАДИАТОРА ЧАСТИ - ШИР. СЕРДЦЕВИНА (LATCH ТИП) СИСТЕМА ОХЛАЖДЕНИЯ
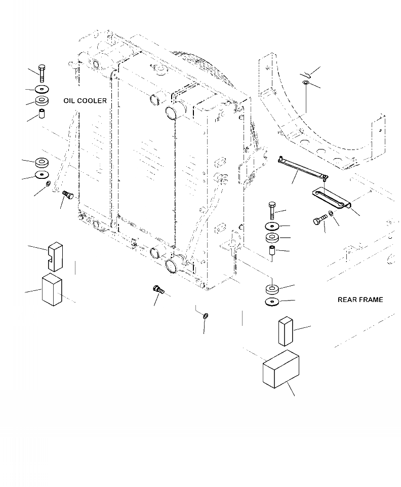
19
8
7
20
5
6
5
7
18
9
4
10
15
3
17
1
16
12
2
1
13
3
10
14
9
11
FIT
1:1
100%

Артикул

Название

Примечание

Количество

1

418-03-11390

CUSHION

SN: A76001--UP

2шт.

2

415-03-11210

SPACER

SN: A76001--UP

1шт.

3

416-03-11210

WASHER

SN: A76001--UP

2шт.

4

01010-81265

BOLT

SN: A76001--UP

1шт.

5

418-03-11390

CUSHION

SN: A76001--UP

2шт.

6

415-03-11210

SPACER

SN: A76001--UP

1шт.

7

416-03-11210

WASHER

SN: A76001--UP

2шт.

8

01010-81265

BOLT

SN: A76001--UP

1шт.

9

01643-31232

WASHER

SN: A76001--UP

2шт.

10

416-03-11281

BOLT

SN: A76001--UP

2шт.

11

418-03-41531

SHEET

SN: A76001--UP

1шт.

12

418-03-41561

SHEET

SN: A76001--UP

1шт.

13

418-03-41541

SHEET

SN: A76001--UP

1шт.

14

418-03-41551

SHEET

SN: A76001--UP

1шт.

15

418-03-43160

PLATE

SN: A76001--UP

1шт.

16

01010-81025

BOLT

SN: A76001--UP

2шт.

17

01643-31032

WASHER

SN: A76001--UP

2шт.

18

418-03-43171

STOPPER

SN: A76001--UP

1шт.

19

04052-11038

PIN

SN: A76001--UP

1шт.

20

01640-21016

WASHER

SN: A76001--UP

1шт.

Выбрано товаров: 20